CL1-106 Flange Disc Dynamic Torque Sensor – Bearingless
| Range | 50-10KNm | Repeatability | ±0.02% | ||
| Accuracy | ±0.1, ±0.2%FS | Supply voltage | 12~24VDC | ||
| Zero-point temperature effect | ±0.02%FS | Supply current | Less than 100mA | ||
| Full-scale temperature effect | ±0.02%FS | Electrical connection | 8-Pin | ||
| Compensated temperature range | -10-60℃ | Overload protection | 200%FS | ||
| Operating temperature range | -20~75℃ | Material | Shaft material 17-4PH stainless steel, housing is aluminum | ||
| Torque output | 10±5kHz(5V amplitude), 0-±5VDC, 0-±10VDC, 0-5-10VDC, 4-12-20mA, 0-5V, 0-10V, 4-20mA, RS485, RS232, CAN, etc. | ||||
| Options | Installation | Axial error ±0.2mm, angular error 0.4° | |||
| Rotation speed measurement | 60 pulses/circle 4-20mA, 0-5VDC, 0-10VDC, RS485, RS232, CAN, etc. | ||||
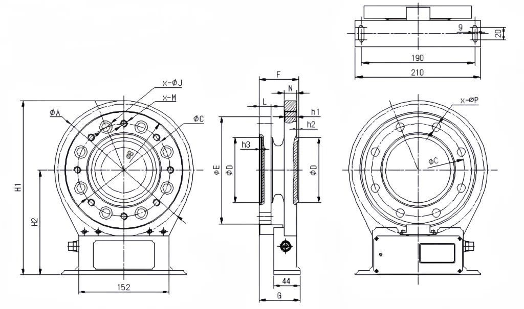
Dimensions

| Nm | A | B | b | C | D | E | F | G | H1 | H2 | J | M | L | N | h1 | h2 | h3 | P |
| 50,100,200 | 152 | 119 | 114 | 84 | 57 | 110 | 45 | 50 | 209 | 133 | 6-φ14 | 6-M8 | 13 | 20 | 15 | 1.5 | 2.7 | 6-φ8.2 |
| 5,001,000 | 174.6 | 139 | 134 | 101.5 | 75 | 130.4 | 51 | 54 | 232.2 | 144 | 8-φ17 | 8-M10 | 15.5 | 18 | 17 | 2 | 4.2 | 8-φ10.5 |
| 20,003,000 | 210 | 173 | 168 | 130 | 90 | 154 | 53 | 58 | 266 | 161 | 8-φ19 | 8-M12 | 15 | 20 | 18 | 2.5 | 4.2 | 8-φ12.5 |
| 5000 | 233 | 201 | 196 | 155.5 | 110 | 180 | 65.8 | 68 | 292 | 175.5 | 8-φ22 | 8-M14 | 20 | 22 | 20 | 2.8 | 4.2 | 8-φ14.5 |
| 10000 | 286 | 251 | 246 | 196 | 140 | 230 | 79 | 80.5 | 342 | 199 | 8-φ26 | 8-M16 | 22 | 22 | 22 | 3.5 | 4.2 | 8-φ16.5 |
















