| Output signal | (M-)-10V-0-10V(M+)&RS485 | Max rotate speed | 5000r/min |
| Nonlinearity | ≤0.2%F.S. | Repeatability | ≤0.1% F.S. |
| Zero balance | ±2% F.S. | Operating temp range | -20~60℃ |
| Compensated temp range | -10~40℃ | Insulation | ≥2000MΩ/50VDC |
| Recommended excitation | 24VDC | Safe load limit | 200%F.S. |
| Temp effect on output | ≤0.2%F.S./10℃ | Temp effect on zero | ≤0.2%F.S./10°℃ |
| Cable size | Ø5x4mØ4x2m(0.05~2N.m) | Protection class | IP64 |
| Cable connection | 24V+:red; 24V-: black; Analog output+: green/RS485+:blue;
Analog output-: white/RS485-:yellow; Reset: brown; |
||

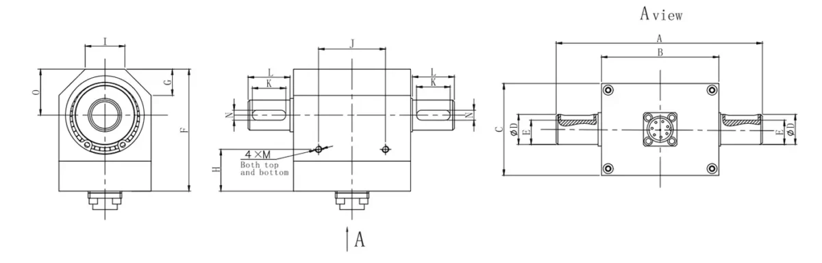
| Capacity | A | B | C | D | E | F | G | H | 1 | J | K | L | M | N | O |
| 0.05-0.2N.m | 75 | 54 | 40 | 5 | / | 50 | / | 18 | / | 30 | / | 10.5 | M3 | / | 18.5 |
| 0.5-2N.m | 84 | 54 | 40 | 8 | / | 50 | / | 18 | / | 30 | / | 15 | M3 | / | 18.5 |
| 5-100N.m | 123 | 70 | 55 | 18 | 14.5 | 73 | 15.7 | 48 | 23.6 | 40 | 20 | 25 | M4 | 6 | 27.5 |
Application in the motor, engine and other rotary power equipment detection; Torque and power detection in locomotive, automobile, aircraft, mining machinery, etc.

















