SAINTBOND / LC505 Weighing Load Cell Sensor Spoke Type Torsional Ring Load Cell



Share it:

LC505 Weighing Load Cell Sensor Spoke Type Torsional Ring Load Cell

Product Description

LC505-2

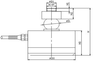
Dimensions: Unit: mm

LC505

Cap./Size D D0 D1 H H0 H1 H2 M×P
10t Ø40 Ø138 Ø50 134.5 74 17 35 20×1.5
20,25t Ø50 Ø165 Ø65 717 86.1 25 50 24×1.5
30t Ø50.8 Ø165 Ø75 176 86.1 25 55 30×1.5
40t Ø76.2 Ø165 Ø85 221 95.8 25 65 40×1.5

Technical Parameter:

Rated Load: 10/20/25/30/40t Operating Temp. Range: -30~+70℃
Sensitivity: (2.0±0.1%) m V/V Max. Safe Over Load: 150%F.S
Combined Error: ±0.02% F.S Ultimate Over Load: 300%F.S
Creep Error(30min): ±0.02% F.S Recommend Excitation: 10~12V DC
Zero Balance: ±1% F.S Maximum Excitation: 15V DC
Temp. Effect On Zero: ±0.02% F.S/10℃ Sealing Class: IP67/IP68
Temp. Effect On Span: ±0.02% F.S/10℃ Element Material: Alloy /Stainless Steel
Input Resistance: 385±5Ω Cable: Length=L:13m
Output Resistance: 352±2Ω Citation: GB/T7551-2008/ OIML R60
Insulation Resistance: ≥5000MΩ Mode Of Connection: Red(Input+),Green(Output+),

Black(Input-),White(Output-)

圣邦网站1详情页_05

Product name LC505 Weighing Load Cell Sensor Spoke Type Torsional Ring Load Cell
Brand SAINTBOND
Market All over the world
Features High precision and stable performance
Advantage 0EM/ODM
Sample Lead Time 5~ 40Days
Sample price The price is different according to product capacity
Custom Design Welcome
Form of sale Factory supply