LC5018 Washer Type Load Cells Button Compression Load Cell Sensor

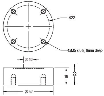
Dimension:mm

Features:
The series subminiature load cells Load buttons are offered for compression only applications where space is limited. The matching diameter is slightly convex for accurate load distribution. These sensors are manufactured from heat treated 17-4ph stainless steel, and the sensing element incorporates bonded foil strain gages of the highest quality. They are sealed for protection against most industrial environments. They are available 25/50/100/250/500/1000kg capacities.
Technical Data:















