LC2424 Load Cell Manufacture in Line Tension Test S Type Load Cell

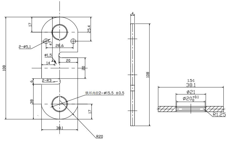
Dimension Unit: mmm

Technical Parameter:

케이센서스 스마트스토어

Dimension Unit: mmm

Technical Parameter:
| Rated load | 50/100/200/300kg | ||
| Precision | 0.2%FS | Temp.effect on span(%F.S/10℃) | ±0.1 |
| Comprehensive error(%F.S) | ±0.1 | Temp.effect on zero(%F.S/10℃) | ±0.1 |
| Rated output(mv/V) | 1.5±0.15 | Compensated temp.range(℃) | -5~+40 |
| Creep(%F.S/30min) | ±0.1 | Use temp.range(℃) | -5~+50 |
| Zero balance(%F.S) | ±1 | Excitation voltage(V) | 3-10(DC) |
| Input resistance(Ω) | 1000±10 | Safe overload(%F.S) | 120 |
| Output resistance(Ω) | 1000±10 | Ultimate overload(%F.S) | 150 |
| Insulation resistance(MΩ) | ≥5000(100VDC) | Defend grade | IP65 |

| Product name | LC2424 Load Cell Manufacture in Line Tension Test S Type Load Cell |
| Brand | SAINTBOND |
| Market | All over the world |
| Features | High precision and stable performance |
| Advantage | 0EM/ODM |
| Sample Lead Time | 5~ 40Days |
| Sample price | The price is different according to product capacity |
| Custom Design | Welcome |
| Form of sale | Factory supply |
5-200N Stainless Steel S Beam Load Cell FA301 is a model of our brand FIBOS FA3-Series, it belongs to S Beam Load Cell category, FA301 can be used to measure load 5N,10N,20N,50N,100N and 200N capacity, its Creep(30min),Non-linearity,Hysteresis and Repeatability all ≤0.05%F.S., its Cable size is ⌀2x3000mm.
10,20,50,100,200,500,1000N or customized S Beam Load Cell FA302L is a model belongs to FA302 which is in S Beam Load Cell category of our brand FIBOS FA3-Series, S Beam Load Cell FA302L can be used to measure load 10N,20N,50N,100N,200N,500N and 1000N or customized capacity, its Cable size is ⌀4x1000mm or customized length.
SC512는 인장 및 압축 하중을 모두 받는 어플리케이션에 적합하도록 설계된 S형 로드셀입니다. 합금강 또는 스테인리스강으로 제작된 SC516은 상부 및 하부 암에 정렬된 장착 구멍이 있어 매달린 어플리케이션에 부착할 수 있습니다. 또한, 압축 하중은 로드셀 본체에 직접 가할 수 있어 설치가 간편합니다.
The SC512 is a S-type load cell designed for applications that involve both tension and compression. Manufactured from alloy steel or stainless steel, the SC516 has an upper and a lower arm with aligned mounting holes for attachment in suspended applications. Meanwhile, compressive loads can be applied directly to the body of the load cell for easy installation.
SC512는 인장 및 압축 하중을 모두 받는 어플리케이션에 적합하도록 설계된 S형 로드셀입니다. 합금강 또는 스테인리스강으로 제작된 SC516은 상부 및 하부 암에 정렬된 장착 구멍이 있어 매달린 어플리케이션에 부착할 수 있습니다. 또한, 압축 하중은 로드셀 본체에 직접 가할 수 있어 설치가 간편합니다.
The SC512 is a S-type load cell designed for applications that involve both tension and compression. Manufactured from alloy steel or stainless steel, the SC516 has an upper and a lower arm with aligned mounting holes for attachment in suspended applications. Meanwhile, compressive loads can be applied directly to the body of the load cell for easy installation.
WhatsApp us
