DYLF-103S1 Weigh Modul

Special features
- High quality alloy steel material
- capacities from 0.5t to 100t
- Complies with OIML R60 regulations up to 3000d divisions
- Hermetically sealed (IP68; IP69K)
- Low profile and small deflection
- Applications: Container and tank weighing; and Industrial batching control system
Option
- Various cable lengths
- Explosion-proof versions
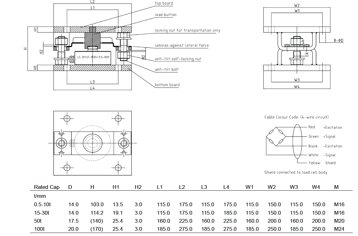
Dimensions

Notes:
1) Error due to the combined effect of non-linearity and hysteresis
2) The sum of errors due to Temperature Effect on Output comply with the requirements of OIML R60 and NIST +B44
3) AL= Applied Load
















