DYBW-10651-e1 Weigh Modul

Special features
- 6tainless steel construction
- capacities from 20kg to 500kg
- Complies with OIML R60 regulations up to 3000d divisions
- +ermetically sealed I36 ; I36 .
- Low profile and small deflection
- Applications: Container and tank weighing; and Industrial batching control system
Option
- Various cable lengths
- Explosion-proof versions
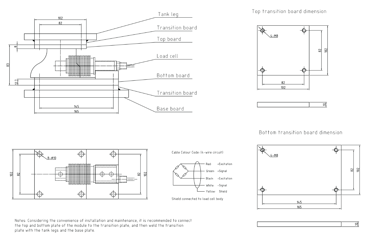
Dimensions

Notes:
1) Error due to the combined effect of non-linearity and hysteresis
2) The sum of errors due to Temperature Effect on Output comply with the requirements of OIML R60 and NIST +B44
3) AL= Applied Load















