ZMDN Dynamic rotating torque sensor
ZMDN is a high-precision rotary torque sensor. The interior consists of a strain gauge and a contact slip ring. Positive and negative torque signals are output, and the two ends are key links. The maximum speed can reach 3000rpm.
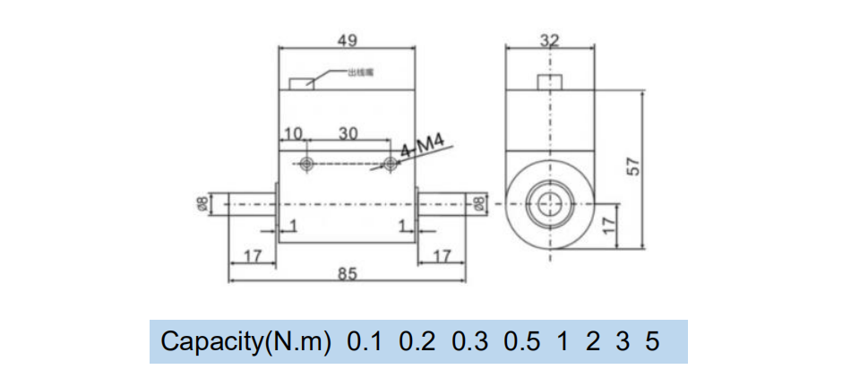
Dimensions in mm


| Capacity (N·m) | A | ΦL | B | C | D | E | F | K | N | M | H |
|---|---|---|---|---|---|---|---|---|---|---|---|
| 5 / 10 / 20 / 30 / 50 / 100 | 108 | 18 | 44 | 38 | 58 | 30 | 22 | 19 | 6 | 3-M3 | 6 |
| 200 / 300 | 143 | 28 | 56 | 53 | 73.5 | 40 | 30 | 27 | 6 | 2-M3 | 8 |
| 500 / 600 / 800 | 188 | 38 | 70 | 78 | 96 | 56 | 40 | 39 | 7 | 5-M8 | 10 |

Technical Specifications
| PARAMETER | VALUE | UNIT |
| Standard capacities (Emax) | 0.1-500 | N.m |
| Rated output-R.O. | 1.0-1.5 | mV/V |
| Zero balance | 1 | ±% of rated output |
| Non linearity | 0.1 | ±% of rated output |
| Hysteresis | 0.1 | ±% of rated output |
| Non-repeatability | 0.05 | ±% of rated output |
| Creep error (30 minutes) | 0.03 | ±% of rated output |
| Zero return (30 minutes) | 0.03 | ±% of rated output |
| Temperature effect on min. dead load output | 0.0026 | ±% of rated output/℃ |
| Temperature effect on sensitivity | 0.0015 | ±% of rated output/℃ |
| Compensated temperature range | -10 to +40 | ℃ |
| Operating temperature range | -20 to +60 | ℃ |
| Safe overload | 150 | % of R.C |
| Ultimate overload | 200 | % of R.C |
| Excitation, recommended | 10 | Vdc |
| Excitation, maximum | 15 | Vdc |
| Input resistance | 380±10 | Ohms |
| Output resistance | 350±3 | Ohms |
| Insulation resistance | 5000 | Mega-Ohms |
| Material | Stainless steel | |
| Protection class | IP66 |










-300x300.jpg)
.jpg)



