H2A Spoke Type Load Cell Zemic Load Cell

Short Description:
◎Alloy steel IP67 compression load cell;
◎High accuracy;
◎Suitable for special measuring equipment;
Available models:
Specification:
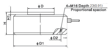
Dimensions in mm:


Wiring:
◎Shielded,4 conductor cable;
◎Cable diameter:Φ5mm;
◎Standard cable length:5m;
◎Shield not connected to element;
















