Zemic / BM3 Load Cell Zemic S Type Load Cell



Share it:

BM3 Load Cell Zemic S Type Load Cell

Product Description

图片1

Short Description:

◎Stainless steel IP68 “S” type load cell;

◎Tension and compression applications;

◎Suitable for hanging, hopper and other weighing devices;

Available models:

Capacity Accuracy Full article description Capacity Accuracy Full article description
50kg C3 BM3-C3-50kg-6B 1.0t C3 BM3-C3-1.0t-6B
100 kg C3 BM3-C3-100kg-6B 2.0t C3 BM3-C3-2.0t-6B
150 kg C3 BM3-C3-150kg-6B 3.0t C3 BM3-C3-3.0t-6B
200 kg C3 BM3-C3-200kg-6B 4.0t C3 BM3-C3-4.0t-6B
250 kg C3 BM3-C3-250kg-6B 5.0t C3 BM3-C3-5.0t-6B
500kg C3 BM3-C3-500kg-6B 6.0t C3 BM3-C3-6.0t-6B
7.5t C3 BM3-C3-7.5t-6B

Specification:

Accuracy dlass OIML R60 C3
Output sensitivity(= FS) mV/V 2.0 ± 0.004
Maximum capacity ( Emax) t 0.5, 1, 2, 2.5, 3, 4, 5, 6, 7.5
Maximum number of load cell intervals(nLC) 3000
Ratio of minimum LC verification interval Y= Emax / Vmin 7500           12000
Combined error %FS 土0.02
Minimum dead load kg 0
Safe overload of Emax 1.5
Ultimate overload of Emax 3
Zero balance %FS ± 1.0
Excitation, recommended voltage V 5~12(DC)
Excitation maximum V 18(DC)
Input resistance Ω 350±3.5
Output resistance Ω 350±3.5
Insulation resistance ≥ 5000(50VDC)
Compensated temperature -10~+40
Operating temperature -35~+65
Storage temperature -40~+70
Element matenial Stainless steel
Ingress protection (according to EN 60529) IP68
ATEX classification (optional) Ⅱ1G Ex ia ⅡC T4 Ⅱ1D Ex iaD 20 T73℃ Ⅱ3G Ex nL ⅡC T4

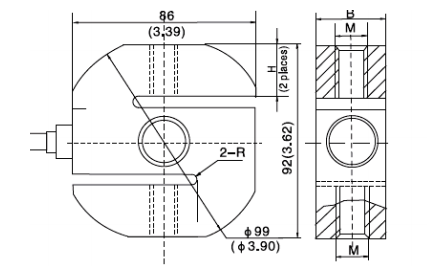
Dimensions in mm:

图片2

                Dimension(mm)

Capacity

W H M
0.5t,1t 32 (1.26) 25 (0.98) M12 x 1.75
2t,2.5t,3t 32 (1.26) 25 (0.98) M20 x 1.5
4t 36 (1.42) 25 (0.98) M20 x 1.5
5t,6t,7.5t 50 (1.97) 26 (1.02) M24 x 2

 

 

Wiring:

◎Shielded, 4 conductor cable;

◎ Cable diameter: Φ5mm;

◎Standard cable length for 500kg: 3m and for all other capacities: 6m;

◎ Shield not connected to element;