| Nonlinearity | ≤0.5% F.S. | Repeatability | ≤ 0.1%F.S. |
| Zero balance | ±5% F.S. | Operating temp range | -20~80℃ |
| Recommended excitation | 5-10VDC | Insulation | ≥2000MΩ/50VDC |
| Protection class | IP63 | Safe load limit | 300%F.S. |
| Long-term crosstalk error | ≤3%F.S.
(After decoupling) |
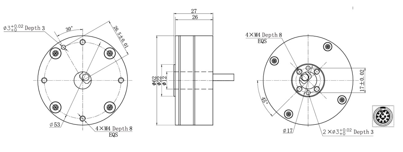
Cable size | Ø4.5×0.5m+14PIN
Plug+Ø4.5x7m |

| Capacity | Fx | Fy | Fz | Mx | My | Mz | Material |
| 100N | 100N | 100N | 2N.m | 2N.m | 2N.m | Stainless
Steel |
|
| 200N | 200N | 200N | 4N.m | 4N.m | 4N.m | ||
| 500N | 500N | 500N | 10N.m | 10N.m | 10N.m | ||
| 1000N | 1000N | 1000N | 20N.m | 20N.m | 20N.m | ||
| Rated output | 0.3-1.0mV/V | ||||||
| Pin No. | Function / Wire Color |
|---|---|
| PIN 1 | Exc+ (Red) |
| PIN 2 | Exc– (Black) |
| PIN 3 | Fx+ (Yellow) |
| PIN 4 | Fx– (Black) |
| PIN 5 | Fy+ (Blue) |
| PIN 6 | Fy– (Black) |
| PIN 7 | Fz+ (White) |
| PIN 8 | Fz– (Black) |
| PIN 9 | Mx+ (Yellow) |
| PIN 10 | Mx– (Brown) |
| PIN 11 | My+ (Blue) |
| PIN 12 | My– (Brown) |
| PIN 13 | Mz+ (White) |
| PIN 14 | Mz– (Brown) |













