Категория: Метка: Бренд:

WTsensor / Pressure Sensor Φ19×11.5mm PC9(WTT19)



Share it:

Pressure Sensor Φ19×11.5mm PC9(WTT19)

Features

■With constant current and constant voltage excitation options

■Imported highly reliable pressure die

■Wide temperature compensation

■Normalized output available

■Compensation board filled with glue for protection against moisture

■Φ19mm standard OEM

■All 316L material

■High performance, all solid, high reliability

■18 months warranty period

 

Applications

■Process control systems

■Pressure calibration instruments

■Refrigeration equipment and HVAC control

■Hydraulic systems and valves

■Level measurement

■Biomedical instruments

■Ships and navigation

■Aircraft and avionics systems

■Weaponry

 

Product Parameters

Electrical performance parameters
Pressure range -100kPa~0~10kPa…16MPa
Pressure reference Gauge pressure, Absolute pressure, Sealed gauge pressure
Excitation 1.5mA recommended for constant current

10V recommended for constant voltage

Input impedance Constant current: 2kΩ~5kΩ

Constant voltage: 3kΩ~18kΩ

Electrical connection Gold-plated KOVAR pin or silicon soft wire
Compensation temp. Constant current: 0℃~60℃(≤70kPa), -10℃~70℃(other ranges);

Constant voltage: -20℃~85℃

Operating temp. -40℃~120℃
Storage temp. -40℃~125℃
Insulation resistance ≥200MΩ/250VDC
Response time ≤1ms (up to 90%FS)
Measured medium All the liquids and gases compatible with 316L.
Mechanical vibration 20g (20~5000Hz)
Shock 100g (10ms)
Service life 10×10(cycles)
Structural performance parameters
Diaphragm material 316L
Housing material 316L
Oil filling Silicon oil
Sealing ring NBR or fluorine rubber

 

Basic parameters
Item Condition Min Nominal Max Unit Note
Nonlinearity -0.3 ±0.2 0.3 %FS Note⑴
Hysteresis -0.05 ±0.03 0.05 %FS
Repeatability -0.05 ±0.03 0.05 %FS
Basic parameters (cont.)
Item Condition Min Nominal Max Unit Note
Zero output -2 ±1 2 mV
Full scale span output 1.5mA, ≤10kPa

1.5mA, other ranges

10V, ≤10kPa

10V, other ranges

30

60

60

98

 

90

 

100

 

150

 

102

mV
Zero temp. coefficient 10kPa

other ranges

-2

-1.5

±1.5

±0.75

2

1.5

%FS Note⑵
Span temp. coefficient -1.5 ±0.75 1.5 %FS Note⑵
Thermal hysteresis -0.075 ±0.05 0.075 %FS Note⑶
Long term stability -0.3 ±0.2 0.3 %FS/Year

Note:

(1) Calculate according to BFSL least square method.

(2) In the compensation temperature range, refer to 30 ℃ for 0 ℃ ~ 60 and -10 ℃ ~ 70 ℃, and refer to 32.5 ℃ for -20 ℃ ~ 85 ℃.

(3) After passing high and low temperature, return to the reference temperature.

 

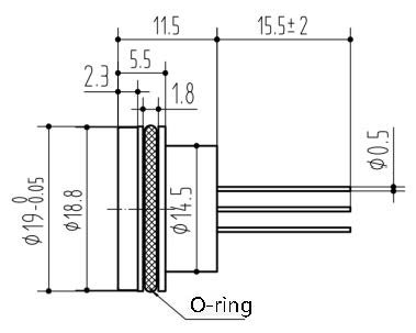
Structure and dimensions

In mm

Gauge pressure

10kPa~4MPa

 

Sealed gauge pressure or absolute pressure

Φ19×11.5mm Industrial Pressure Sensor PC9(WTT19) 

   

 

 

 

 

 

Φ19×11.5mm Industrial Pressure Sensor PC9(WTT19) 

 

 

 

Electrical connection (in mm)

1. 6 pin (6p)

Φ19×11.5mm Industrial Pressure Sensor PC9(WTT19)

 

Pin          Definition

3        Excitation+(IN+)

5        Excitation-(IN-)

2        Output+(OUT+)

4        Output-(OUT-)

1          Die-

6          Die-

Electrical connection (in mm) (cont.)

2. 4 wire (4w)

image.png

 

Wire color       Definition

Red        Excitation+(IN+)

Blue    Excitation-(IN-)

Yellow    Output+(OUT+)

White    Output-(OUT-)

3. 5 wire (5w)

image.png

 

Wire color       Definition

Red        Excitation+(IN+)

Blue    Excitation-(IN-)

Blue    Excitation-(IN-)

Yellow    Output+(OUT+)

White    Output-(OUT-)

Pressure range selection
Code Pressure reference Pressure range Overpressure Burst pressure O-ring
10k G 0~10kPa 300%FS 600%FS NBR
20k G 0~20kPa 300%FS 600%FS NBR
35k G, A 0~35kPa 300%FS 600%FS NBR
70k G 0~70kPa 300%FS 600%FS NBR
100k G, A 0~100kPa 200%FS 500%FS NBR
160k G, A 0~160kPa 200%FS 500%FS NBR
250k G, A 0~250kPa 200%FS 500%FS NBR
400k G, A 0~400kPa 200%FS 500%FS NBR
600k G, A 0~600kPa 200%FS 500%FS NBR
1M G, A 0~1MPa 200%FS 500%FS NBR
1.6M G, A, S 0~1.6MPa 200%FS 500%FS NBR
2.5M G, A, S 0~2.5MPa 200%FS 500%FS NBR
4M S 0~4MPa 200%FS 400%FS NBR
6M S 0~6MPa 200%FS 400%FS Fluorine rubber
10M S 0~10MPa 200%FS 400%FS Fluorine rubber
16M S 0~16MPa 200%FS 400%FS Fluorine rubber
-100~0kPa Omitted -100~0kPa 300kPa 600kPa NBR
(0~-100)k Omitted 0~-100kPa 300kPa 600kPa NBR
NP100k Omitted ±100kPa 300kPa 600kPa NBR
(-100~160)k Omitted -100~160kPa 480kPa 900kPa NBR
(-100~250)k Omitted -100~250kPa 750kPa 1.25MPa NBR
(-100~400)k Omitted -100~400kPa 800kPa 2MPa NBR
(-100~600)k Omitted -100~600kPa 1.2MPa 3MPa NBR
(-0.1~1.0)M Omitted -0.1~1MPa 2MPa 5MPa NBR
(-0.1~1.6)M Omitted -0.1~1.6MPa 3MPa 9MPa NBR
(-0.1~2.5)M Omitted -0.1~2.5MPa 5MPa 12.5MPa NBR

Note: G: Gauge pressure, A: Absolute pressure, S: Sealed gauge pressure