VLC-023 Pin type load cell
Specifications
| Rated output | 0.500–1.500mV/V |
|---|---|
| Nonlinearity | ±2%R.C. |
| Hysteresis | ±2%R.C. |
| Repeatability | ±1%R.C. |
| Zero balance | ±0.1mV/V |
| Temperature effect on zero balance | ±0.3%R.C./10°C |
| Temperature effect on load | ±0.5%R.C./10°C |
| Temperature compensation range | −10–60°C (No condensation or freezing) |
| Safe temperature range | −10–60°C (No condensation or freezing) |
| Input terminal resistance | 345.0–355.0Ω |
| Output terminal resistance | 345.0–355.0Ω |
| Recommended excitation voltage | 12V or less |
| Maximum excitation voltage | 15V |
| Insulation resistance | 1000MΩ or more(DC50V) |
| IP Rating | Equivalent to IP65, Sealed with filler (Note 1) |
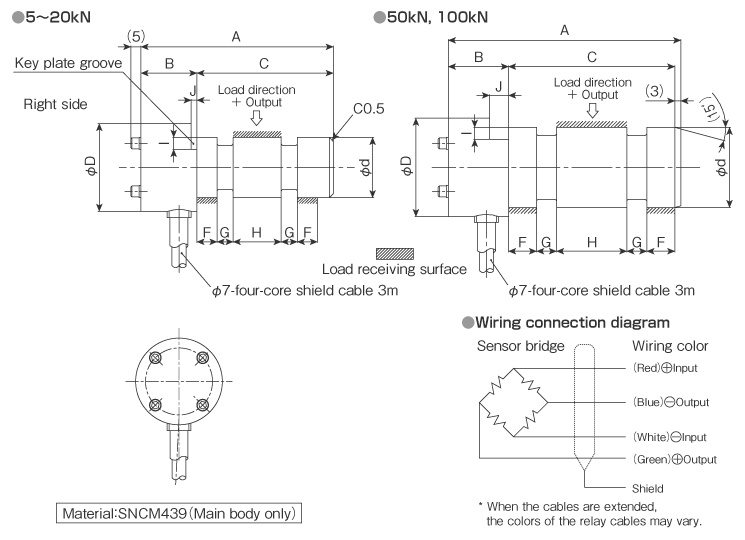
| Cable | φ7mm 4-core shielded cable 3m |
- (Note 1) Sealing performance of the cable outlet may deteriorate due to the change of cable jacket over years.
Model selection
| Selection | Model | Rated capacity | φd | A | B | C | φD | F | G | H | I | J | Weight |
|---|---|---|---|---|---|---|---|---|---|---|---|---|---|
| VLC-5KN-023 | 5kN | 30 | 96 | 28 | 60 | 44 | 10 | 8 | 24 | 4 | 4 | Approx. 0.8kg | |
| VLC-10KN-023 | 10kN | ||||||||||||
| VLC-20KN-023 | 20kN | ||||||||||||
| VLC-50KN-023 | 50kN | 40 | 116 | 30 | 83 | 49 | 14 | 10 | 35 | 6 | 9.5 | Approx. 1.6kg | |
| VLC-100KN-023 | 100kN | 50 | 152 | 35 | 112 | 50 | 16 | 12 | 56 | 8 | 7 | Approx. 2.5kg |
- *Weight includes cable.
Contact our sales office for other details, special specifications and dimensions.
External dimensions (Unit: mm) [Reference]


















