TS911 Tension Force Sensor
Product Description
Features and Uses
Tension measuring sensor
Compact structure, easy to install
Protection grade: IP65
Super overload capacity
Application field: automobile assembly, automatic assembly, 3C product testing, new energy product assembly, medical testing, robot, mold assembly and other industrial testing, measurement and control system.
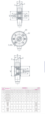
Mounting Dimension

Parameter List
| Rated Range | 20N-25KN | Sensitivity Drift Temperature Coefficient | 0.05%F/10℃ |
| Output sensitivity | 2.0±0.2%mV/V | Zero Drift Temperature Coefficient | 0.05%F/10℃ |
| Zero Output | ±2%S | Input Resistance | 410±10Ω |
| Nonlinearity | 0.25%F.S | Output Resistance | 350±5Ω |
| Lag Error | 0.25%F.S | Operating Temperature Range | -20〜80℃ |
| Repeatability | 0.1%F.S | Safe Load | 120%F.S. |
| Creep (30 Minutes) | 0.1%F.S | Cable size | Φ5×3000mm |
| Protection | Ip65 |
| Direction Of Force |
![]() |
















