LP904 Custom Pin Load Cell
Product Description
Features and Uses
Made of stainless steel, with long-term stability.
Replaceable existing shaft for easy installation.
Suitable for port, dock cargo measurement, gantry crane and lifting equipment safety monitoring.
Customizable size and shape.
Application field: automobile assembly, automatic assembly, 3C product testing, new energy product assembly, medical testing, robot, mold assembly and other industrial testing, measurement and control system.
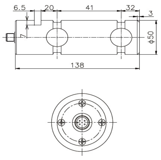
Mounting Dimension

Parameter List
| Rated Range | 50KN | Insulation Resistance | ≥ 2000mΩ/100VDC |
| Consideration | 1.015%mV/V | Excitation Voltage | 10V |
| Null Balance | ±2%F.S | The Maximum Excitation Voltage | 15volts |
| Nonlinearity | 0.5%F.S | Temperature Compensation Range | -10~60℃ |
| Lag Error | 0.2%F.S | Operating Temperature Range | -20〜80℃ |
| Repeatability | 0.2%F.S | Safe Load(E L) | 150%F.S. |
| Creep (30 Minutes) | 0.05%F.S | Failure Load(E D) | 300%F.S. |
| Sensitivity Drift Temperature Coefficient | 0.05%F.S./10℃ | Cable size | M12x1-4P |
| Zero Drift Temperature Coefficient | 0.05%F.S./10℃ | Cloth | stainless steel |
| Input Resistance | 750±30Ω | Unit Weight(G) | 1.8kg |
| Output Resistance | 700±10Ω | Protection | Ip67 |
| Direction Of Force | Wiring Method |
![]() |
![]() |


















