LC6297 Compression Load Washer Force Sensor Compression Load Cell 300/500T

Large-range compression load cell, pressure sensor of testing machine, large-range spoke load sensor, large-range load sensor and large-range load sensor;High quality alloy steel, spoke design structure, 0.05% high precision, can pass the third-party metrology verification certification, with third-party verification certificate;
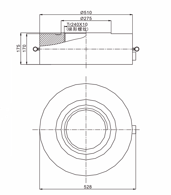
Dimension:

Application:
Pressure Testing Machine, Large Hydraulic Machinery Equipment, Large Range Force Measurement and Various Weighing Testing in Colleges and Universities, Large Industrial Weighing Control System;
Features:
◎Self-restoring rocker pin load cell.
◎Upper and lower inhibitor design, easy to installation.
◎Dynamic respond, and super capacity for anti-overload.
◎Application to truck scale, railway scale, axle scale, storage scale and other weighing equipment.
Technical Parameter:














