LC232 High Capacity Extensometer Tension Measuring Load Cell 300/500/1000/2000/3000KG

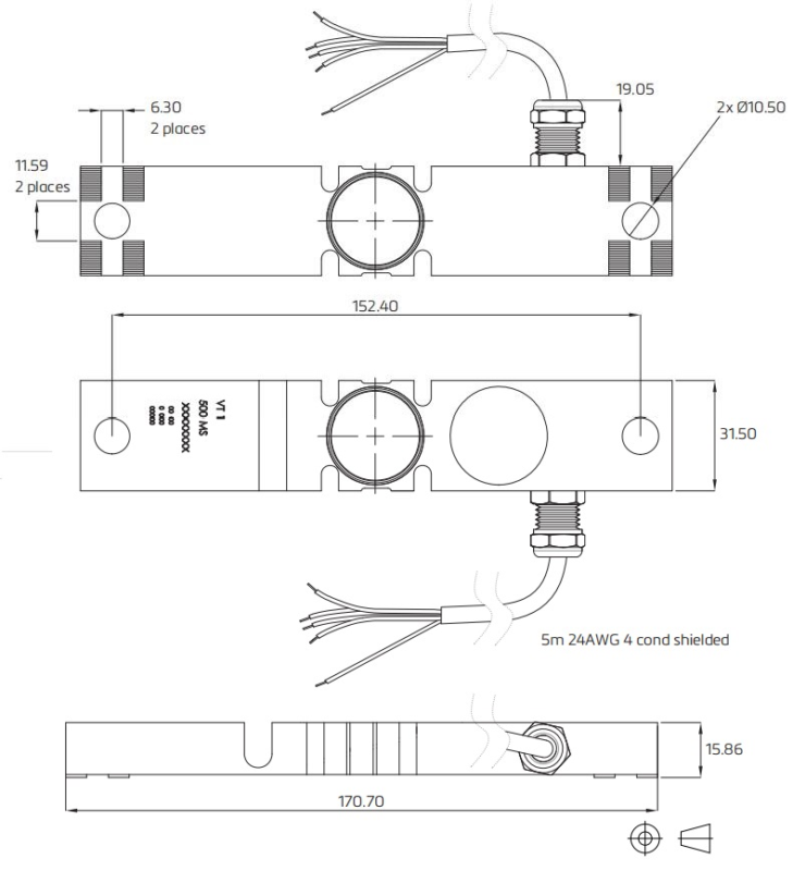
Dimension:in mm

Product Description:
The LC232 is an extensometer designed for silo inventory monitoring or other similar applications within the process weighing industry.It’s a fully welded, stainless steel, bolt-on device with a very low activation force, making it ideal for measuring force in particularly rigid structures. Its electro polished finish is particularly appropriate for the clinical requirements of food processing environments.It provides a high gain, analogue output signal proportional to the elastic deformation of the structural part upon which it is mounted. No structural adhesive is required during installation.
Applications:
Silo inventory monitoring and other monitoring requirements in the process weighing industry.
Technical Parameter:


















