T502 3-axis Force Cell
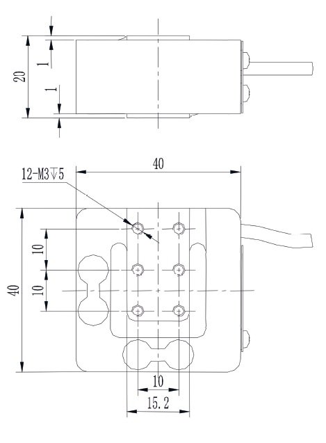
Dimension

Parameters
Features and Applications
High precision and strong anti-eccentricity
Easy to install, IP66
Accept custom specifications
Precision control of robot arms, grinding and polishing of curved surfaces, precise carving of machining centers, precision testing of medical equipment
Load Direction

Wiring Code
















