R260 Clamping Force Load Cell
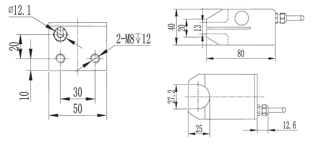
Dimensions

Parameter
Features & Applications
Compact Design construction;
Stainless steel or alloy steel;
can be used for welding pressure measurement and clamping force test;
Suitable for Automotive press fit,automated assembly,3C products testing,new energy product assembly,medical testing,robotics,mold assembly and other industrial testing and control system.
Load Direction

Wiring Code













