Big range S shaped force transducer NF307
Features
The big range S shaped force transducer NF307 measures tensile and compressive forces and can measure ranges up to 10t.
- High precision
- Anti overload
- Stainless steel or aluminum alloy material
Applications
- Mixing stationaggregate scale
- Powder weigher
- Automation equipment
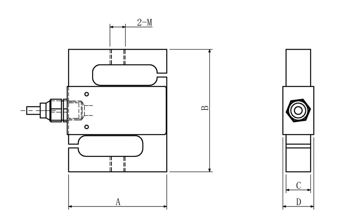
Mounting Dimension

Load Direction
Wiring Code
Specifications
| Specifications | Technique |
| Capacity | 25,50,100,200,250,500kg/0.75,1,1.5,2,2.5,5,10t |
| Reted output | 2.0±1%mV/V |
| Zero Balance | ±0.02mV/V |
| Creep(30min) | ≤0.024%F.S. |
| Non-linearity | ≤0.03%F.S. |
| Hysteresis | ≤0.03%F.S. |
| Repeatability | ≤0.03%F.S. |
| Input impedance | 385±10Ω |
| Output impedance | 350±5Ω |
| Temp.effect on output | 0.03%F.S./10 C |
| Temp.effect on zero | 0.03%F.S./10 C |
| Insulation resistance | ≥5000MΩ/100V(DC) |
| Recommended excitation | 5~15V |
| Maximum excitation | 20V |
| Compensated Temp Range | -10~40 C |
| Operating Temp Range | -30~70 C |
| Safe overload | 150%F.S. |
| Ultimate overload | 200%F.S. |
























