Models
MR-1S-1t, MR-1S-2.5t, MR-1S-5t, MR-1S-10t, MR-1S-15t, MR-1S-20t, MR-1S-30t, MR-1S-50t, MR-1S-100t
주요 특징
-
초저형 설계(Low-profile)
-
설치 공간이 제한된 환경에 적합한 구조
-
-
상부 플레이트에 블라인드 홀(blind hole) 적용
-
장착 및 하중 가해에 용이한 구조
-
-
높이 조절 스크류 내장
-
과부하 및 전도(Overload & Overturn) 방지 기능 제공
-
-
모듈당 용량 범위: 2.5톤 ~ 100톤
-
다양한 산업 설비의 무게 계측에 적합
-
-
재질 선택 가능
-
합금강 (Alloy Steel) 또는 스테인리스강 (Stainless Steel)
-
-
MR-1S 압축형 로드셀과 일체형 조립 구조
-
고정밀 계량 성능 확보
-
적용 분야
MR-1S 계량 모듈은 다음과 같은 동적 계량 시스템에 최적화된 솔루션입니다:
-
혼합 호퍼(Mixing Hopper)
-
사일로(Silo)
-
저장탱크(Vessel)
-
탱크 계량 시스템(Tank Weighing Systems) 등
설치 환경
-
협소한 공간 제한이 있는 설비에 이상적
-
수직 하중 계측 및 진동, 움직임이 있는 공정 라인에서도 안정적인 설치 가능
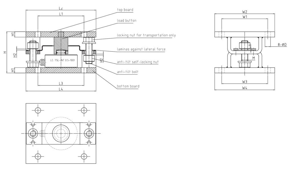
Dimensions

| Capacity | D | H | H1 | H2 | L1 | L2 | L3 | L4 | W1 | W2 | W3 | W4 | M |
| 1~10t | 14.0 | 103.0 | 13.5 | 3.0 | 115.0 | 175.0 | 115.0 | 175.0 | 115.0 | 150.0 | 115.0 | 150.0 | M16 |
| 15~20t | 17.5 | 114.2 | 19.1 | 3.0 | 160.0 | 200.0 | 160.0 | 200.0 | 160.0 | 200.0 | 160.0 | 200.0 | M20 |
| 30t | 20.0 | 132.0 | 19.1 | 3.0 | 185.0 | 250.0 | 185.0 | 250.0 | 185.0 | 250.0 | 185.0 | 250.0 | M24 |
| 50~100t | 23.0 | 155.0 | 25.4 | 3.0 | 250.0 | 320.0 | 250.0 | 320.0 | 250.0 | 320.0 | 250.0 | 320.0 | M30 |
Specifications

















