MLC700D — Fishing Scale Miniature Load Cell
Product Picture Reference

Technology Specification
Below spec is only for customer design reference, we can provide ODM product.
MLC700D fishing scale miniature load cell
|
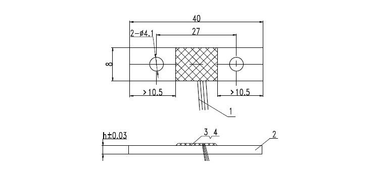
Model: MLC700D Catalog: Micro load cell Rated load: 5kg, 10kg, 20kg, 30kg, 40kg Dimension: 40*8*2mm Safe overload: 120%; Ultimate overload: 150% Material: alloy aluminum, alloy steel Characteristic: handle scale load cell, fishing scale load cell, postal scale load cell, micro force load cell |
|||
| Specification | |||
| Comprehensive error: | 0.2FS | Output resistance: | 1000±10Ω |
| Rated output: | 1.1±0.03mV/V | Insulation resistance: | ≥2000MΩ(100VDC) |
| Non-linearity: | 0.2%FS | Excitation voltage: | 5~10VDC |
| Hysteresis: | 0.2%FS | Compensated temp: | -10~+40ºC |
| Repeatability: | 0.2%FS | Use temperature: | -20~+55ºC |
| Creep: | 0.2%FS/10Min | Temp effect on zero: | 0.2%FS/10ºC |
| Zero balance: | 1±0.1MV/V | Temp effect on span: | 0.2%FS/10ºC |
| Input resistance: | 1090±10Ω | Defend grade: | IP66 |
Product Dimension

Force Structure & Assembly Reference














