DR-3001 Dynamic Torque Sensor
Technical parameters

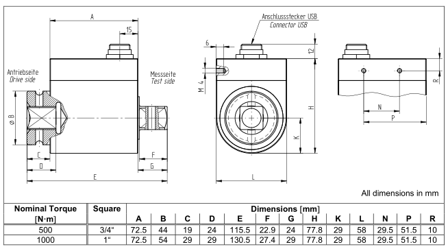
Dimensions




케이센서스 스마트스토어
Technical parameters

Dimensions




Resistance strain is an integrated product composed of sensitive components and integrated circuits;There is no wear of the collector ring, etc., it can run at high speed for a long time, and output positive and negative torque signals;Both ends are connected by key;
definition: High precision Stable performance The maximum speed does not exceed 4000 rpm
Product description:Features:
Resistive strain is an integrated production of sensitive components and integrated circuits products, high precision, stable and reliable performance.
The collecting ring, which can run at high speed for a long time and output positive and negative torque signals. Both ends are key connections.
The maximum speed dose not exceed 4000rpm.
Category: Dynamic Rotary Torque Sensor
WhatsApp us
