TS21 Static torque Sensor
Technical parameters
| Category | Parameter | Value / Unit |
|---|---|---|
| Capacity | Range (Nm) | 1, 2, 5, 10, 12, 15, 20, 50, 100 |
| Accuracy Class | ( MAX ERROR ) | |
| Non-linearity | +/- 0.2 %FS | |
| Hysteresis | +/- 0.2 %FS | |
| Repeatability | +/- 0.1 % RO | |
| Temperature | ||
| Temp. Effect on Zero | +/- 0.02 % RO/°C | |
| Temp. Effect on Sensitivity | +/- 0.01 %/°C | |
| Compensated Temp. Range | -5 to +45 °C | |
| Operating Temp. Range | -15 to +55 °C | |
| Electrical | ||
| Rated Output (Sensitivity) | 1 mV/V | |
| Excitation Voltage | 2-12 VDC | |
| Output Resistance | 350 Ohm | |
| Cable Length | 3 m | |
| Mechanical | ||
| Safe Overload | 150 % RO | |
| Angular Deflection at Rated Torque | < 0.2° | |
| Cyclic Rated Load | +/- 70 Peak % RO | |
| Protection Rating | IP50 |
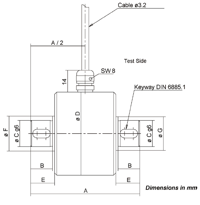
Dimensions




















