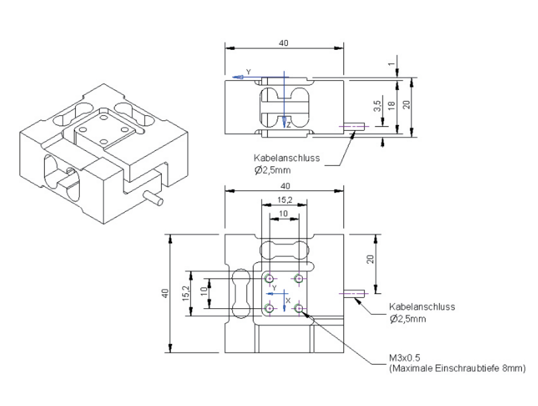
T3M40 Three-component Sensor
Technical
| Category | Parameter | Specification | Unit |
| Design & Material | Material | Aluminum Alloy | — |
| Dimensions (L x W x H) | 40 x 40 x 20 | mm | |
| Fastening Method | 4x M3 x 0.5 | — | |
| Weight | 46 | g | |
| Mechanical | Capacity (x, y, z-Axis) | $\pm 2$ / $\pm 10$ | N |
| Safe Overload | 200 / 200 | % FS | |
| Ultimate Overload | 600 / 600 | % FS | |
| Deflection | 0.1 / 0.1 | mm | |
| Natural Frequency | 180 / 400 | Hz | |
| Bending Moment | 5 | Nm | |
| Electrical | Sensitivity Output | 0.5 | mV/V @ FS |
| Zero Output | $< \pm 0.1$ | mV/V | |
| Excitation Voltage (MAX) | 10 | V | |
| Input Resistance | $350 \pm 5$ | Ohm | |
| Output Resistance | $350 \pm 5$ | Ohm | |
| Insulation Resistance | $> 5 \times 10^9$ | Ohm | |
| Cable Length | 3 | m | |
| Accuracy | Accuracy Class | 0.5 | % |
| Linearity Error | 0.2 / 0.1 | % FS | |
| Zero Temp. Drift | 0.05 | % FS / K | |
| Sensitivity Temp. Drift | 0.05 | % RD / K | |
| Creep (30 min) | 0.05 | % FS | |
| Crosstalk | Eccentric Load Effect | 0.5 | % FS / 2Nm |
| Eccentric Load Effect on FS | 0.5 | % FS @ 50mm | |
| Crosstalk (X to Y) | < 0.5 | % FS | |
| Crosstalk (Y to X) | < 0.5 | % FS | |
| Crosstalk (Z to X/Y) | < 1 | % FS | |
| Temperature | Operating Temp. Range | -20 … +60 | °C |
| Storage Temp. Range | -20 … +70 | °C |
Dimensions















