SES S-type Force Sensor
Technical
| Term | Value | Unit |
|---|---|---|
| Output Sensitivity | 2.0 ± 10% 3.0 ± 10% |
mV / V |
| Zero Output | ± 2 | % F.S. |
| Non-linearity | 0.05 | % F.S. |
| Hysteresis | 0.05 | % F.S. |
| Repeatability | 0.05 | % F.S. |
| Creep (30min) | 0.05 | % F.S. |
| Sensitivity Temp. Drift | 0.05 | % F.S. / 10°C |
| Zero Temp. Drift | 0.05 | % F.S. / 10°C |
| Input Resistance | 385 ± 10 | Ω |
| Output Resistance | 350 ± 3 | Ω |
| Insulation Resistance | ≥ 5000 | MΩ/100VDC |
| Operating Voltage | 5~10 | V |
| Maximum Voltage | 15 | V |
| Compensated Temp. Range | — 10 ~ 60 | °C |
| Operating Temperature | — 20 ~ 80 | °C |
| Safe Overload | 150 | % |
| Ultimate Overload | 200 | % |
| Cable Dimensions | Ø 5 x 3m | |
| Cable Connection Method | Excitation+ (Exc+): Red (红) | |
| Excitation- (Exc-): Black (黑) | ||
| Signal+ (Out+): Green (绿) | ||
| Signal- (Out-): White (白) | ||
Wiring Color Code
| Function | Signal Name | Color |
| Excitation + | Exc+ | Red |
| Excitation — | Exc- | Black |
| Signal + | Out+ | Green |
| Signal — | Out- | White |
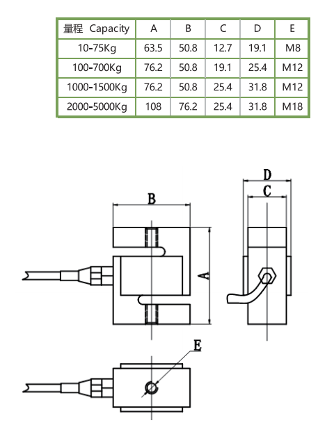
Dimensions















