Категория: Метка: Бренд:

HUATRAN / 3KD40 Three-component Sensor


Measuring range: Fxyz = 10KG

Accuracy: 0.3% FS


Share it:

3KD40 Three-component Sensor

Technical

Item Specification Unit
Material Aluminum Alloy
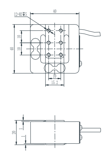
Dimensions (L × W × H) 40 × 40 × 20 mm
Capacity 1 / 2 / 5 / 10 / 20 kg
Safe Overload 150 %FS
Ultimate Overload 300 %FS
Output Sensitivity 1.0 mV/V
Zero Output < ±0.1 mV/V
Max Excitation Voltage 10 VDC
Input Resistance 350 ± 5 Ω
Output Resistance 350 ± 5 Ω
Insulation Resistance > 5 × 10⁹ Ω
Cable Length 3 m
Accuracy Class 1.0 %
Non-Linearity 0.3 %FS
Repeatability 0.2 %FS
Sensitivity Temperature Drift 0.1 %FS / K
Zero Temperature Drift 0.1 %FS / K
Creep (30 min) 0.2 %FS
Compensated Temperature Range −10 ~ +70 °C
Operating Temperature Range −10 ~ +85 °C

Dimensions

3KD40