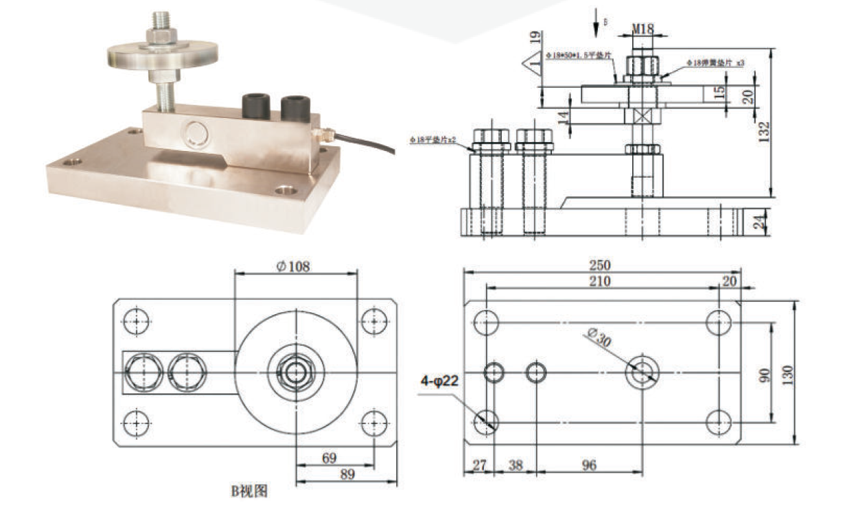
GWM203 Weighing Module

FEATURES
- Easy installation, user friendly
- Mainly used in tower, tank, animal husbandry, etc.
SPECIFICATION
| Rated Load | 2,3,5(t) | ||
| Comprehensive Error | ±0.02%F.S | Excitation,Recommended | 10VDC |
| Rated Output | 2.0mV/V | Safe Overload | 150%F.S |
| Zero Balance | ±1.0%F.S | Ultimate Overload | 200%F.S |
| Creep | ±0.02%F.S/30min | Insulation Resistance | ≥5000MΩ(100VDC) |
| Input Resistance | 380±10Ω | Cable | 4-Wire Shielded Cable |
| Output Resistance | 350±3Ω | Cable Length | 3m |
| Temp.Effect on Output | ±0.02%F.S/10℃ | Ingress Protection | IP65 |
| Temp.Effect on Zero | ±0.02%F.S/10℃ |
Wiring Code |
Exc+:Red Exc-:Black |
| Operating Temp.Range | — 20~+65℃ | Sig+:Green Sig-:White | |














