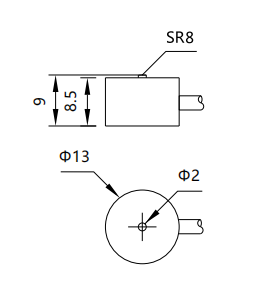
DLC204B Miniature load cell
Featrues:
Aluminum alloy & Stainless steel
Super micro structure
Special used for force measuring in a narrow space.

Parametres:
|
Accuracy Class: 1% |
Temp. Effect On Output: ±1%F.S/10℃ |
|
Rated Output: 2.0±2%mv/v |
Temp. Effect On Zero: ±1%F.S/10℃ |
|
Zero Balance : ±0.1mv/v |
Compensated Temp. Range: -10~+40℃ |
|
Linearity Error: ±1%F.S |
Operating Temp. Range: -20~+60℃ |
|
Creep in 3 Min. : ±1%F.S |
Excitation Recommended: <5(VDC) |
|
Hysteresis Error: ±1%F.S |
Safe Overload: 120% |
|
Repeatability Error: ±1%F.S |
Ultimate Overload: 150% |
|
Input Resistance: 370±30Ω |
Insulation Resistance: >5000MΩ(100VDC) |
| Output Resistance: 350±20Ω |
Protection Class: IP66 |
Wiring Code:

Remarks:
The standard cable length is 2m.
The length of cable can be customized,ordering instructions.















