Submersible S-Beam Load Cell | IP68 Waterproof | DBBSUB
Hermetically Sealed for Long-Term Submersion up to 2 Metres/0.2 Bar Applied Measurements DBBSUB submersible S-Beam load cell is ideal for tension and compression measurement in situations involving permanent submersion in water. They are hermetically sealed to IP68 to a depth of 2m/0.2bar making them ideal for flood susceptible locations, submersible and hydrostatic applications. The permanently submersible s-beam load cell has a dual bending beam design to ensure inherently high accuracy and enables us to guarantee performance well within specification. Our DBBSUB permanently submersible load cell can be supplied with specialised rod end bearings further guaranteeing the transducer’s optimum performance. For fast and simple installation they can be supplied with custom designed mounting plates and fixtures. If you require an IP67 rated S-Beam load cells with capacities of less than 50kg or greater than 10,000kg, our DBBSM series of S-Beam load cells covers load ranges from 0-1kg (10N) up to 0-30,000kg (300kN). Meanwhile, if you need to fit into a restricted space, Applied Measurements DBBSMM range of miniature S-Beam load cells will fit the bill.
Technical Specifications
| Rated Capacity (RC) | kN | 0-0.7, 0-1, 0-2, 0-5 |
|---|---|---|
| Operating Modes | Tension/Compression / Tension & Compression | |
| Sensitivity (RO) | mV/V | 2 ± 0.1% (1±0.2% on 0.5kN capacity) |
| Pressure Sensitivity | %/FS/bar (metre) | ±0.05 (±0.005) |
| Zero Balance/Offset | ±%/Rated Output | ±5 |
| Zero Return after 30 mins | ±%/Applied Load | ±0.02 |
| Output Symmetry (tension vs. compression) | ±%/Rated Output | ±0.1 |
| Non-Linearity | ±%/Rated Output (BFSL) | ±0.02 |
| Hysteresis | % / Rated Output | ±0.02 |
| Repeatability | ±%/Rated Output | ±0.02 |
| Temperature Effect on Zero | ±%/Rated Output/˚C | ±0.02 |
| Temperature Effect on Sensitivity | ±%/Rated Output/˚C | ±0.01 |
| Input Resistance | Ohms | 1100 ± 50 |
| Output Resistance | Ohms | 1000 ± 2 |
| Insulation Resistance | Megohms | >5000 @ 100Vdc |
| Excitation Voltage | Volts AC or DC | 10 recommended (5-15 acceptable) |
| Operating Temperature Range | ˚C | -40 to +80 (ATEX -40 to +60) |
| Compensated Temperature Range | ˚C | -10 to +40 |
| Storage Temperature Range | ˚C | -40 to +80 |
| Safe Overload | % of Rated Capacity | 200 |
| Ultimate Overload | % of Rated Capacity | 300 |
| Deflection @ Rated Capacity | mm | 0.3 nominal |
| Fundamental Resonant Frequency* | Hz | see dimensional table |
| IP Rating (Environmental Protection) | IP68 up to 2m water depth/0.2bar | |
| Weight (excluding cable) | kg | 1.0 (1kN, 2 kN), 1.1(5kN) |
| Fatigue Life | 108 cycles typical (109 cycles on fatigue-rated version) | |
| Cable Length (as standard) | metres | 6m |
| Cable Type | Shielded, 4 conductor cable (AWG 24) Ø5mm, Cable jacket polyurethane (PUR) | |
| Construction Material | 17-4 PH Stainless Steel Body. 303 Stainless Steel (Cable Gland) | |
| Resolution | 1 part in 250,000 (with appropriate instrumentation) | |
| *The resonant frequency is calculated with the body of the load cell attached to a large plate, ensuring that only the sensing element oscillates: This is vital to achieve the highest natural frequency and subsequent frequency response. | ||
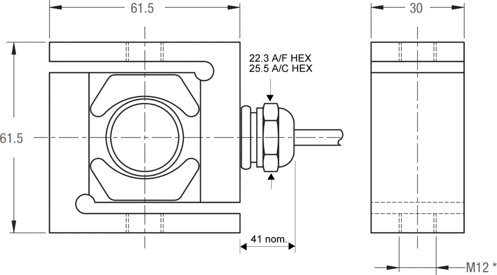
Product Dimensions

| Capacity (kN) | H | L | W | Threads T | Resonant Frequency Hz |
|---|---|---|---|---|---|
| 0.7 | 61.5 | 61.5 | 30 | M12 | 400 |
| 1 | 61.5 | 61.5 | 30 | M12 | 500 |
| 2 | 61.5 | 61.5 | 30 | M12 | 700 |
| 5 | 61.5 | 61.5 | 30 | M12 | 1000 |
All dimensions are in mm
Wiring Details
| Wire | Designation |
|---|---|
| Green | +ve excitation |
| Black | -ve excitation |
| White | +ve signal |
| Red | -ve signal |
| Shield | To ground — not connected to load cell body |
VRev8
Ordering Codes & Options
| Core Product | Capacity (inc Engineering Units) | Cable Length (m) | Specials Code | Example Result |
|---|---|---|---|---|
| DBBSUB | 0.7kN | 006 | 000 | DBBSUB-0.7kN-006-000 |
| DBBSUB | 1kN | 006 | 000 | DBBSUB-1kN-006-000 |
| DBBSUB | 2kN | 006 | 000 | DBBSUB-2kN-006-000 |
| DBBSUB | 5kN | 006 | 000 | DBBSUB-5kN-006-000 |















