Square Drive Static Torque Transducer | DTD-S
High Accuracy, Easily Adaptable, with a Square Drive Shaft
The DTD-S series of reaction / static torque transducers have a square drive and are primarily used to measure the fastening or breakaway torque of bolts and nuts. The square drive static torque transducer is ideal for calibrating automated torque screwdrivers, spanners and wrenches.
We are able to offer custom drive sizes and configurations to suit your application if required, and can also offer versions with improved sealing up to IP68 for applications where operating conditions are harsh or involve submersion.
Technical Specifications
| Rated Capacity (RC) | Nm | 0-10, 0-20, 0-50, 0-100, 0-200, 0-250, 0-500, 0-1000, 0-2k, 0-5k, 0-10k, 0-20k |
|---|---|---|
| Operating Modes | Clockwise (CW)/Counter-Clockwise (CCW) / Clockwise (CW) & Counter-Clockwise (CCW) | |
| Sensitivity (RO) | mV/V | 1.5 nominal |
| Zero Balance/Offset | ±%/Rated Output | <1 |
| Output Symmetry (CW vs. CCW) | ±%/Rated Output | <0.25 typical |
| Non-Linearity | ±%/Rated Output (BFSL) | <0.1 |
| Hysteresis | ±%/Full Scale Output | <0.1 |
| Repeatability | ±%/Full Scale Output | <0.1 |
| Temperature Effect on Zero | ±Full Scale Output/ ˚C | <0.010 |
| Temperature Effect on Output | ±/Reading/ ˚C | <0.010 |
| Bridge Resistance | Ohms | 700 nominal |
| Insulation Resistance | Megaohms | >5000 @ 50Vdc |
| Excitation Voltage | Volts AC or DC | 10 recommended (2-15 acceptable) |
| Operating Temperature Range | ˚C | -20 to +80 |
| Compensated Temperature Range | ˚C | +20 to +70 |
| Storage Temperature Range | ˚C | -20 to +80 |
| Safe Overload | % of Rated Capacity | 150 |
| Ultimate Overload | % of Rated Capacity | 300 |
| IP Rating (Environmental Protection) | IP65 | |
| Weight | See dimensions table | |
| Fatigue Rating | 108 cycles typical | |
| Cable Length (as standard) | metres | 3 |
| Cable Type | 4-core screened PUR, Ø4.6mm | |
| Construction | Stainless Steel | |
| Resolution | 1 part in 250,000 (with appropriate instrumentation) | |
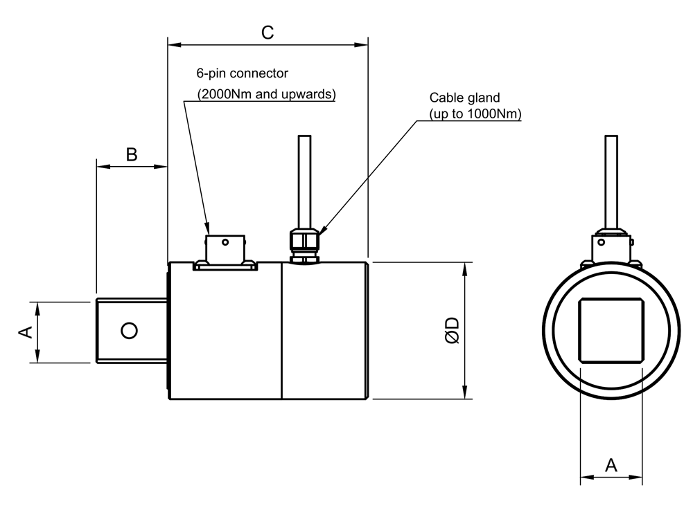
Product Dimensions

| Capacity (Nm) | Square Drive A | B | C | ØD |
|---|---|---|---|---|
| 10 | 0.250 inch | 7.5 | 48 | 25 |
| 20 | 0.250 inch | 7.5 | 48 | 25 |
| 50 | 0.375 inch | 11.5 | 58 | 35 |
| 100 | 0.500 inch | 15.5 | 58 | 35 |
| 200 | 0.750 inch | 23 | 79 | 54 |
| 250 | 0.750 inch | 23 | 79 | 54 |
| 500 | 0.750 inch | 23 | 79 | 54 |
| 1000 | 1.000 inch | 28 | 79 | 54 |
| 2000 | 1.500 inch | 38 | 95 | 70 |
| 5000 | 2.000 inch | 45 | 130 | 90 |
| 10000 | 2.500 inch | 55 | 165 | 110 |
| 20000 | 3.000 inch | 68 | 212 | 130 |
| 50000 | 3.500 inch | 79 | 185 | 180 |
All dimensions are in mm.
Wiring Details
| Wire | Designation |
|---|---|
| Red | +ve excitation |
| Blue | -ve excitation |
| Green | +ve signal (clockwise) |
| Yellow | -ve signal |
| Screen | To ground — not connected to sensor body |
Ordering Codes & Options
| Core Product | Capacity (inc Engineering Units) | Cable Length (m) | Specials Code | Example Result |
|---|---|---|---|---|
| DTD-S | 10Nm | 003 | 000 | DTD-S-10Nm-003-000 |
| DTD-S | 20Nm | 003 | 000 | DTD-S-20Nm-003-000 |
| DTD-S | 50Nm | 003 | 000 | DTD-S-50Nm-003-000 |
| DTD-S | 100Nm | 003 | 000 | DTD-S-100Nm-003-000 |
| DTD-S | 200Nm | 003 | 000 | DTD-S-200Nm-003-000 |
| DTD-S | 250Nm | 003 | 000 | DTD-S-250Nm-003-000 |
| DTD-S | 500Nm | 003 | 000 | DTD-S-500Nm-003-000 |
| DTD-S | 1000Nm | 003 | 000 | DTD-S-1000Nm-003-000 |
| DTD-S | 2000Nm | 003 | 000 | DTD-S-2500Nm-003-000 |
| DTD-S | 5000Nm | 003 | 000 | DTD-S-5000Nm-003-000 |
| DTD-S | 10kNm | 003 | 000 | DTD-S-10kNm-003-000 |
| DTD-S | 20kNm | 003 | 000 | DTD-S-20kNm-003-000 |

















