Bending Beam Load Cell | OBBS
Hermetically Sealed, Accurate and Ideal for Process Applications The OBBS bending beam load cell design is suitable for low capacity weighing applications such as batching hoppers where a highly accurate measurement system is required. They are also suitable for use in conveyor weighing applications. The bending beam load cell’s high integrity hermetically sealed IP68 bellows and stainless steel construction means that it is ideal for use in process situations where regular washdowns are required to maintain hygiene standards. A vessel mount is available to suit the OBBS bending beam load cell for static applications and is ideal for load cells in hopper and tank weighing applications.
Technical Specifications
| Rated Capacity (RC) | kgf | 0-10, 0-20, 0-50, 0-100, 0-200, 0-250, 0-500 |
|---|---|---|
| Operating Modes | Tension/Compression / Tension & Compression | |
| Sensitivity (RO) | mV/V | 2.0 ±0.1% |
| Zero Balance/Offset | ±%/Rated Output | ±2.0 |
| Zero Return After 30 mins | ±%/Applied Load | ±0.06 |
| Total Error | ±%/Rated Output | ±0.05 |
| Temperature Effect on Zero | ±%/Rated Load/ ˚C | ±0.04 |
| Temperature Effect on Sensitivity | ±%/Applied Load/ ˚C | ±0.02 |
| Input Resistance | Ohms | 380 ± 10 |
| Output Resistance | Ohms | 350 ± 3 |
| Insulation Resistance | Megohms | >5000 @ 100Vdc |
| Excitation Voltage | Volts AC or DC | 10 recommended (5-15 acceptable) |
| Operating Temperature Range | ˚C | -40 to +80 (ATEX -40 to +60) |
| Compensated Temperature Range | ˚C | -10 to +40 |
| Storage Temperature Range | ˚C | -20 to +70 |
| Safe Overload | % of Rated Capacity | 200 |
| Ultimate Overload | % of Rated Capacity | 300 |
| Deflection @ Rated Capacity | mm | <0.4 |
| IP Rating (Environmental Protection) | IP68 | |
| Weight (excluding cable) | kg | 0.35 |
| Cable Length (as standard) | 3 metres | |
| Cable Type | 6-Core Screened, PUR sheath | |
| Construction Material | Stainless Steel 17-4 PH (1.4548) |
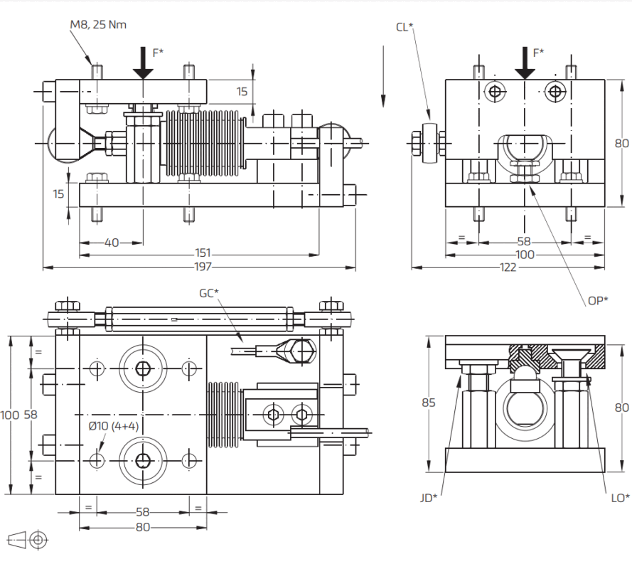
Product Dimensions (mm)

Wiring Details
| Wire | Designation |
|---|---|
| Green | +ve excitation |
| Blue | +ve sense |
| White | +ve signal |
| Brown | -ve sense |
| Black | -ve excitation |
| Red | -ve signal |
| Yellow | Shield |
VRev8
Ordering Codes & Options
| Core Product | Capacity (inc Engineering Units) | Cable Length (m) | Specials Code | Example Result |
|---|---|---|---|---|
| OBBS | 10kg | 003 | 000 | OBBS-10kg-003-000 |
| OBBS | 20kg | 003 | 000 | OBBS-20kg-003-000 |
| OBBS | 50kg | 003 | 000 | OBBS-50kg-003-000 |
| OBBS | 100kg | 003 | 000 | OBBS-100kg-003-000 |
| OBBS | 200kg | 003 | 000 | OBBS-200kg-003-000 |
| OBBS | 250kg | 003 | 000 | OBBS-250kg-003-000 |
| OBBS | 500kg | 003 | 000 | OBBS-500kg-003-000 |
Mounting Accessories
Vessel Mount for OBBS Load Cells
- Prevent unwanted forces from affecting load cell performance.
- Ideal for load cells in hopper and tank weighing applications.
- Integrated lift-off and overload protection.
- Load introduction by ball and socket joint.

The Vessel Mount assembly for both the OBBS Series of load cells is low profile and simple to install and design into new or existing installations. The mounts can be installed with or without the load cells in position. Plant downtime is reduced to an absolute minimum and the risk of damage to the load cell is eliminated during installation. Thanks to its integrated jacking device, load cell replacement requires minimum lifting height. All modules within a scale are identical and can be freely oriented in any direction. It incorporates an integrated check link to eliminate oscillations caused by slow-moving agitators etc.















