ZHIMIN / ZMQS / 엘리베이터용 더블 엔디드 시어 빔 로드셀


The ZMQS is double ended shear beam load cell, capacity from 1t up to 30t.  The load cell has high accuracy and high stability, widely used in elevator industry.

Features:

Capacity 1t-30t
High accuracy
High stability

Nickel plated alloy steel

Optional features:
Stainless steel construction

Share it:

ZMQS Elevator double ended shear beam load cell

The ZMQS is double ended shear beam load cell, capacity from 1t up to 30t. The load cell is widely used in evelator.We provide optional amplifer which converts analog sigal into 4-20mA, 0-5V or 0-10V.

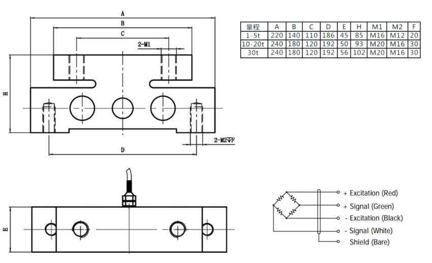
Dimensions in mm

PARAMETER VALUE UNIT
Standard capacities (Emax) 1-30 T
Rated output-R.O. 2.0 mV/V
Zero balance 1 ±% of rated output
Non linearity 0.1 ±% of rated output
Hysteresis 0.1 ±% of rated output
Non-repeatability 0.05 ±% of rated output
Creep error (30 minutes) 0.03 ±% of rated output
Zero return (30 minutes) 0.03 ±% of rated output
Temperature effect on min. dead load output 0.0026 ±% of rated output/℃
Temperature effect on sensitivity 0.0015 ±% of rated output/℃
Compensated temperature range -10 to +40
Operating temperature range -20 to +60
Safe overload 150 % of R.C
Ultimate overload 200 % of R.C
Excitation, recommended 10 Vdc
Excitation, maximum 15 Vdc
Input resistance 360±10 Ohms
Output resistance 350±3 Ohms
Insulation resistance 5000 Mega-Ohms
Material Alloy steel
Protection class IP66