ZMLBA Universal tesing machine compression load cell
1. High precison spoke type load cell designed for both tension and compression force measurement. Nickel plated alloy steel can make protection class achieve IP67.
2. Applications in testing machines and special measuring equipment.
3. Stainless steel construction is optional.
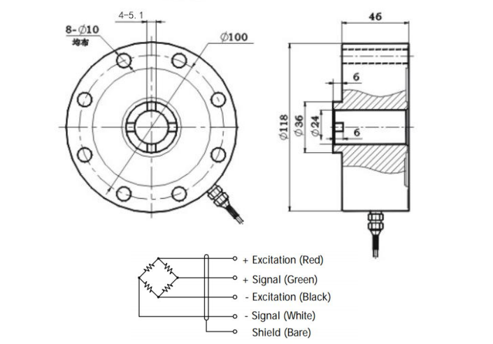
Dimensions in mm

| PARAMETER | VALUE | UNIT |
| Standard capacities (Emax) | 2,5,10 | T |
| Rated output-R.O. | 2.0 | mV/V |
| Zero balance | 1 | ±% of rated output |
| Non linearity | 0.03 | ±% of rated output |
| Hysteresis | 0.03 | ±% of rated output |
| Non-repeatability | 0.02 | ±% of rated output |
| Creep error (30 minutes) | 0.03 | ±% of rated output |
| Zero return (30 minutes) | 0.03 | ±% of rated output |
| Temperature effect on min. dead load output | 0.0026 | ±% of rated output/℃ |
| Temperature effect on sensitivity | 0.0015 | ±% of rated output/℃ |
| Compensated temperature range | -10 to +40 | ℃ |
| Operating temperature range | -20 to +60 | ℃ |
| Safe overload | 150 | % of R.C |
| Ultimate overload | 200 | % of R.C |
| Excitation, recommended | 10 | Vdc |
| Excitation, maximum | 15 | Vdc |
| Input resistance | 720±20 | Ohms |
| Output resistance | 700±3 | Ohms |
| Insulation resistance | 5000 | Mega-Ohms |
| Material | Alloy steel | |
| Protection class | IP67 |
















