Aluminum shear beam load cell
The ZMLX is a high accuracy, low profile bending beam available in a wide range of capacities. The ZMLX is widely used in platform weighing machines, pallet truck scales, tank and vessel weighing systems, conveyor scales and patient weighing systems such as intensive care beds and wheelchair scales.
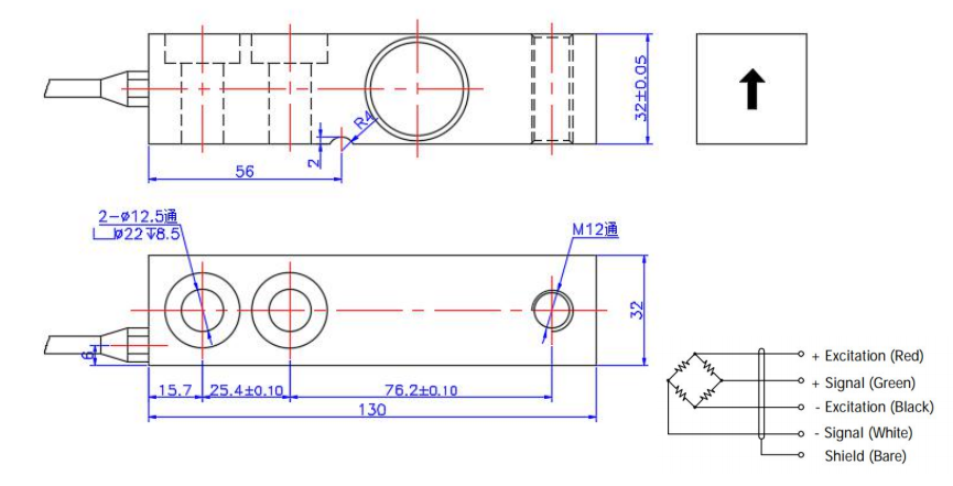
Dimensions:

| PARAMETER | VALUE | UNIT |
| Standard capacities (Emax) | 100-700 | KG |
| Rated output-R.O. | 2.0 | mV/V |
| Zero balance | 1 | ±% of rated output |
| Non linearity | 0.03 | ±% of rated output |
| Hysteresis | 0.03 | ±% of rated output |
| Non-repeatability | 0.02 | ±% of rated output |
| Creep error (30 minutes) | 0.03 | ±% of rated output |
| Zero return (30 minutes) | 0.03 | ±% of rated output |
| Temperature effect on min. dead load output | 0.0026 | ±% of rated output/℃ |
| Temperature effect on sensitivity | 0.0015 | ±% of rated output/℃ |
| Compensated temperature range | -10 to +40 | ℃ |
| Operating temperature range | -20 to +60 | ℃ |
| Safe overload | 150 | % of R.C |
| Ultimate overload | 200 | % of R.C |
| Excitation, recommended | 10 | Vdc |
| Excitation, maximum | 15 | Vdc |
| Input resistance | 370±20 | Ohms |
| Output resistance | 350±3 | Ohms |
| Insulation resistance | 5000 | Mega-Ohms |
| Material | Alloy aluminum | |
| Protection class | IP67 |















