ZMLCS Tension and compression load cell






| PARAMETER | VALUE | UNIT |
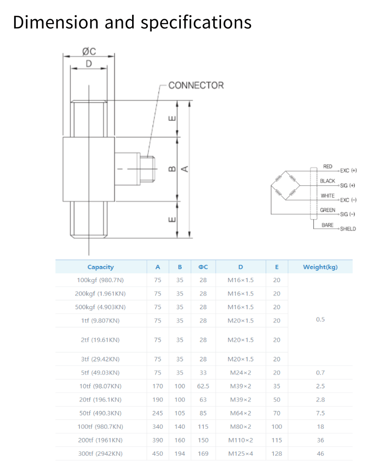
| Standard capacities (Emax) | 0.5 – 300 | tf |
| Rated output-R.O. | 1.0 | mV/V |
| Zero balance | 1 | ±% of rated output |
| Non linearity | 0.1 | ±% of rated output |
| Hysteresis | 0.1 | ±% of rated output |
| Non-repeatability | 0.05 | ±% of rated output |
| Creep error (30 minutes) | 0.05 | ±% of rated output |
| Zero return (30 minutes) | 0.05 | ±% of rated output |
| Temperature effect on min. dead load output | 0.0026 | ±% of rated output/℃ |
| Temperature effect on sensitivity | 0.0015 | ±% of rated output/℃ |
| Compensated temperature range | -10 to +40 | ℃ |
| Operating temperature range | -20 to +60 | ℃ |
| Safe overload | 150 | % of R.C |
| Ultimate overload | 200 | % of R.C |
| Excitation, recommended | 10 | Vdc |
| Excitation, maximum | 15 | Vdc |
| Input resistance | 370±20 | Ohms |
| Output resistance | 350±3 | Ohms |
| Insulation resistance | 5000 | Mega-Ohms |
| Material | Alloy steel | |
| Protection class | IP67 |
















