BM6A Stainless Steel IP68 Single Point Load Cell ZEMIC Belt Scales Load Cell

Short Description:
◎Stainless steel IP68 single point load cell;
◎Suitable for platform, belt scales and other weighing devices;
◎Hermetically sealed;
◎ Maximum platform size: 350 x 350 mm;
Available models:
Specification:
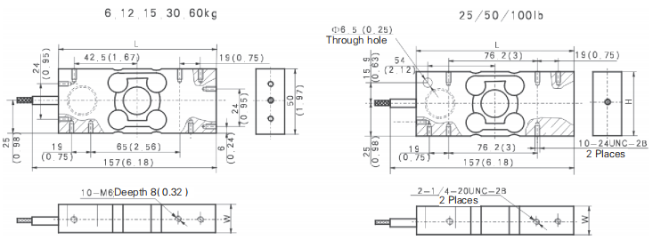
Dimensions in mm:

Wiring:
◎Shielded cable, 6 conductor cable;
◎Cable diameter: Φ6.2mm;
◎ Standard cable length: 6m;
◎Shield not connected to element;















