| Capacity(Optional) | 50kg, 100kg, 200kg, 500kg, 1t, 2t, 5t, 10t | Material | Alloy steel |
| Nonlinearity | 0.05~0.1% F.S. | Rated output | 2.0±0.05mV/V |
| Recommended excitation | 5-10VDC | Maximum excitation | 10V DC |
| Protection class | IP65 | Compensated temp range | -10~40℃ |
| Hysteresis | 0.05~0.1% F.S. | Operating temp range | -20~80℃ |
| Repeatability | ≤0.05% F.S. | Insulation | ≥2000MΩ/100VDC |
| Input impedance | 380±30Ω | Output impedance | 350±5Ω |
| Creep (30min) | ≤0.05% F.S. | Temp effect on output | ≤0.05% F.S./10℃ |
| Zero balance | ±2%F.S. | Temp effect on zero | ≤0.05% F.S./10℃ |
| Safe load limit | 150%F.S. | Ultimate load limit | 200%F.S. |
| Cable size | Ø5x3m | Fatigue life | Full scale more than 1 million times |
| Cable connection | Ex+:Red; Ex-: Black; Sig+:Green; Sig-: White | ||

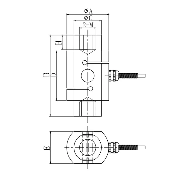
| Capacity | A | B | C | D | E | M | H |
| 0.05/0.1/0.2/0.5t | 44 | 88 | 28 | 56 | 26 | M16*1.5 | 18 |
| 1/2/5t | 58 | 112 | 38 | 68 | 44 | M24*1.5 | 24 |
| 10t | 84 | 160 | 60 | 103 | 58 | M36*4 | 36 |
Mainly used for electro-mechanical scales,lifting scales,hopper scales,packing scales,sorting scales,various special scales and industrial measuring system.
















