| Capacity(Optional) | 5kg,10kg,20kg,50kg,100kg,200kg,500kg,1t,1.5t,2t,5t,7t,8t,10t,20t | ||
| Nonlinearity | 0.02-0.1%F.S. | Rated output | 2.0±0.2mV/V |
| Recommended excitation | 5-10VDC | Maximum excitation | 10V DC |
| Protection class | IP66 | Compensated temp range | -10~40℃ |
| Hysteresis | 0.02~0.05% F.S. | Operating temp range | -20~80℃ |
| Repeatability | 0.02~0.05% F.S. | Insulation | ≥5000MΩ/100VDC |
| Input impedance | 380±30Ω | Output impedance | 350±5Ω |
| Creep (30min) | ≤0.02%F.S. | Temp effect on output | ≤0.02% F.S./10℃ |
| Zero balance | ±1%F.S. | Temp effect on zero | ≤0.02% F.S./10℃ |
| Safe load limit | 150%F.S. | Ultimate load limit | 200%F.S. |
| Cable size | Ø5x3m | Fatigue life | Full scale more than 1 million times |
| Cable connection | Ex+: Red; Ex-: Black; Sig+: Green; Sig-:White | ||

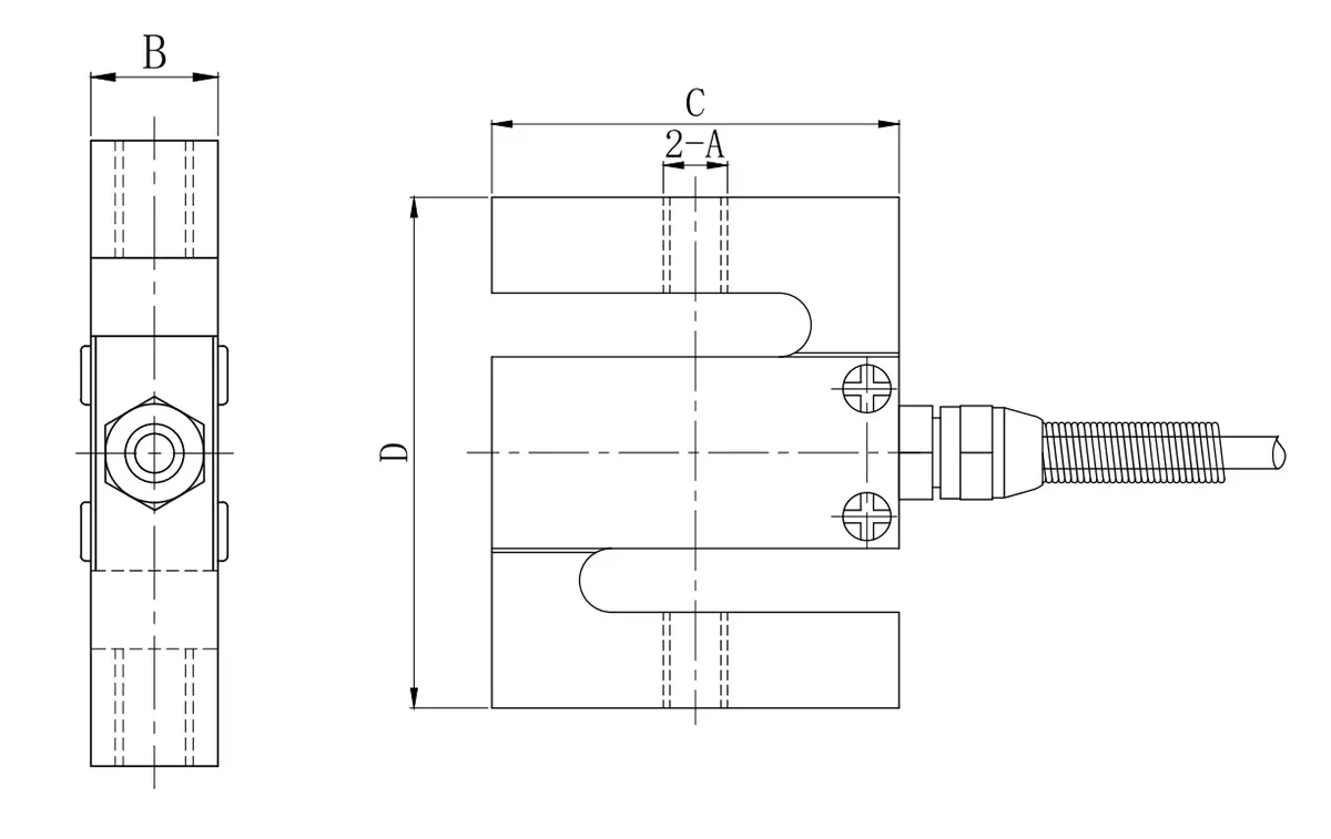
| Capacity | A | B | C | D |
| 5/10/20/50kg | M8 | 12.7 | 51 | 64 |
| 100/200/500kg | M12 | 19.1 | 51 | 76 |
| 1/1.5t | M12 | 25.4 | 51 | 76 |
| 2/5t | M20 | 25.4 | 76 | 108 |
| 7/8/10t | M30 | 51 | 127 | 178 |
| 20t | M36x3 | 60 | 140 | 188 |
Mainly applied in tension and compression testing instruments and automatic equipments fields, such as small range of force testing instruments, hopper scales, insertion force test instruments, riveting machine, welding machine, hot & cold lamination machine, feeling tester for keyboard switch, and etc.















