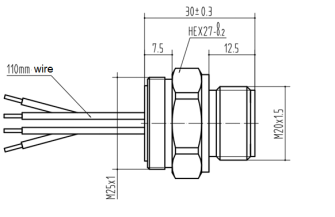
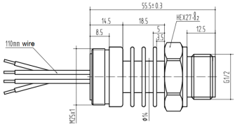
Flush Diaphragm Pressure Sensor with thread PC12
Product Parameters
| Electrical performance parameters | ||
| Pressure range | -100kPa~0~10kPa…100MPa | |
| Pressure reference | Gauge pressure, Absolute pressure, Sealed gauge pressure | |
| Excitation | 1.5mA recommended for constant current | |
| Input impedance | Constant current: 2kΩ~5kΩ | |
| Electrical connection | Gold-plated KOVAR pin or silicon soft wire | |
| Compensation temp. | Constant current: 0℃~60℃(≤70kPa),-10℃~70℃(other ranges); | |
| Operating temp. | -40℃~120℃ | |
| Storage temp. | -40℃~120℃ | |
| Insulation resistance | ≥200MΩ/250VDC | |
| Response time | ≤1ms (up to 90%FS) | |
| Measured medium | All the liquids and gases compatible with 316L. | |
| Mechanical vibration | 20g (20~5000Hz) | |
| Shock | 100g (10ms) | |
| Service life | 10×106 (cycles) | |
| Structural performance parameters | |||
| Diaphragm material | 316L | ||
| Housing material | 316L | ||
| Oil filling | Medium chain triglycerides | ||
| Basic parameters | ||||||||
| Item | Condition | Min | Nominal | Max | Unit | Note | ||
| Nonlinearity | -0.3 | ±0.25 | 0.3 | %FS | Note⑴ | |||
| Hysteresis | -0.05 | ±0.03 | 0.05 | %FS | ||||
| Repeatability | -0.05 | ±0.03 | 0.05 | %FS | ||||
| Zero output | -2 | ±1 | 2 | mV | ||||
| Span output | 10kPa
Other range |
30
60 |
90
|
150
|
mV | 1.5mA supply | ||
| Zero temp. coefficient | 10kPa
other ranges |
-2
-1.5 |
±1.5
±0.75 |
2
1.5 |
%FS | Note⑵ | ||
| Span temp. coefficient | -1.5 | ±0.75 | 1.5 | %FS | Note⑵ | |||
| Thermal hysteresis | -0.075 | ±0.05 | 0.075 | %FS | Note⑶ | |||
| Long term stability | -0.3 | ±0.2 | 0.3 | %FS/year | ||||
Note:
(1) Calculate according to BFSL least square method.
(2) In the compensation temperature range, refer to 0 ℃ ~ 60℃ and -10 ℃ ~ 70 ℃, and refer to 30 ℃ .
(3)After passing high and low temperature, return to the reference temperature.
| Pressure range selection | |||||
| Code | Pressure reference | Pressure range | Overpressure | Burst pressure | O-ring |
| 10k | G | 0~10kPa | 300%FS | 600%FS | ED ring |
| 20k | G | 0~20kPa | 300%FS | 600%FS | ED ring |
| 35k | G | 0~35kPa | 300%FS | 600%FS | ED ring |
| 70k | G | 0~70kPa | 300%FS | 600%FS | ED ring |
| 100k | G、A | 0~100kPa | 200%FS | 500%FS | ED ring |
| 160k | G、A | 0~160kPa | 200%FS | 500%FS | ED ring |
| 250k | G、A | 0~250kPa | 200%FS | 500%FS | ED ring |
| 400k | G | 0~400kPa | 200%FS | 500%FS | ED ring |
| 600k | G | 0~600kPa | 200%FS | 500%FS | ED ring |
| 1M | G、S | 0~1MPa | 200%FS | 500%FS | ED ring |
| 1.6M | G、S | 0~1.6MPa | 200%FS | 500%FS | ED ring |
| 2.5M | G、S | 0~2.5MPa | 200%FS | 500%FS | ED ring |
| 4M | S | 0~4MPa | 200%FS | 400%FS | ED ring |
| 6M | S | 0~6MPa | 200%FS | 400%FS | ED ring |
| 10M | S | 0~10MPa | 200%FS | 400%FS | ED ring |
| 16M | S | 0~16MPa | 200%FS | 400%FS | ED ring |
| 25M | S | 0~25MPa | 150%FS | 400%FS | ED ring |
| 40M | S | 0~40MPa | 150%FS | 300%FS | ED ring |
| 60M | S | 0~60MPa | 150%FS | 300%FS | ED ring |
| 100M | S | 0~100MPa | 150%FS | 300%FS | ED ring |
| N5k | Omitted | -100~250kPa | 750kPa | 1.25MPa | ED ring |
| N7k | Omitted | -100~600kPa | 1.2MPa | 3MPa | ED ring |
| N8M | Omitted | -0.1~1MPa | 2MPa | 5MPa | ED ring |
| N9M | Omitted | -0.1~1.6MPa | 3MPa | 9MPa | ED ring |
| N10M | Omitted | -0.1~2.5MPa | 5MPa | 12.5MPa | ED ring |
Note: G: Gauge pressure, A: Absolute pressure, S: Sealed gauge pressure
















