PSD Column Force Sensor
Technical parameters

Dimensions

케이센서스 스마트스토어
Technical parameters

Dimensions

이 제품은 빠른 동적 응답 특성과 장시간 유지되는 정적 안정성을 제공하며, 인장·압축 감도 오차가 작아 정밀한 힘 측정에 적합합니다.
이 센서는 링형 구조를 기반으로 하여 빠른 동적 응답을 제공하며, 정적 보정 유지력이 뛰어납니다. 외부 전원이 필요 없는 수동형 센서로, 전하 증폭기와 같은 측정 장비와 함께 사용하는 데 적합합니다.
이 센서는 안정성과 내구성이 뛰어나고, 간편한 설치 및 강력한 신호 간섭 저항 특성을 갖추고 있어, 무게 측정 장비 및 자동화/테스트 분야에 널리 사용됩니다.
MDS 스테인리스 스틸 미니어처 미니 버튼형 힘 센서 힘 변환기는 IP65 보호 기능을 갖춘 스테인리스 스틸로 만들어졌습니다. 계량 용량은 2kg에서 2000kg까지입니다.
MDS 타입은 버튼과 비슷한 모양을 가진 소형 힘 센서로, 버튼 센서라고도 불립니다. 스테인리스 스틸로 제작되어 부식과 습기가 많은 환경에서도 정상 작동이 가능합니다. 높이는 15mm, 직경은 25.4mm로 협소한 공간에 적합하며, 기기 내부에 설치하여 작업 과정 중 힘을 모니터링할 수 있습니다.
이 제품은 링형 구조의 수동형 센서로, 빠른 동적 응답성과 정밀한 장시간 정적 유지 특성을 가지며, 전하 증폭기 등의 계측기기와 함께 사용됩니다.
이 제품은 빠른 동적 응답 특성과 긴 정적 교정 유지력을 갖추고 있으며, 인장 및 압축 감도 오차가 작아 고정밀 측정에 적합합니다.
이 제품은 구조가 낮고 넓은 하중 면적을 가지며, 고정밀 및 우수한 장기 안정성을 특징으로 합니다. 고급 니켈 도금 합금강 소재로 제작되었으며, 배터리 압착, 재료 시험, 자동화 장비 등의 압력 측정에 적합한 센서입니다.
이 센서는 링 구조를 가지고 있어 빠른 동적 응답이 가능하며, 정적 교정 상태를 장시간 유지할 수 있습니다. 자체 전원이 없는 수동형으로, 전하 측정용 계측기와 함께 사용됩니다.
이 제품은 전하 출력을 사용하며, 3축 방향의 힘을 동시에 정밀하게 측정할 수 있어 기계 임피던스 측정 및 모달 해석과 같은 진동 분석에 적합합니다.
이 센서는 전하 출력을 지원하며, 3축(수직) 방향의 힘을 동시에 측정할 수 있어 기계 임피던스 분석이나 구조물의 모달 해석과 같은 동역학 응용에 적합합니다.
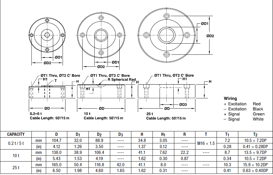
C420 로드셀은 인장과 압축을 모두 측정할 수 있는 겸용 센서로, 5kg에서 5톤까지의 넓은 측정 범위를 지원합니다.
합금강 재질에 니켈 도금 처리된 표면을 갖추고 있으며, IP65 등급의 방진·방수 보호 기능을 제공합니다.
컴팩트한 구조로 설치가 간편하며, 하중 제어 및 측정에 적합한 제품입니다.
해당 센서는 높은 안정성과 내구성을 갖춘 계량용 센서로, 다양한 산업 자동화 및 계측 환경에 적합합니다.
WhatsApp us
