MDB S-Force Sensor
Technical parameters

Dimensions

케이센서스 스마트스토어
Technical parameters

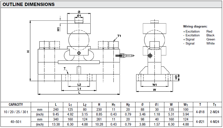
Dimensions

이 센서는 양방향 하중(인장 및 압축)을 정밀하고 안정적으로 측정할 수 있으며, 다양한 산업 및 시험 장비에 적합한 컴팩트한 고성능 제품입니다.
STM200A 소형 S형 로드셀은 좁은 공간에서도 빛을 발합니다. 뛰어난 성능을 유지하면서 정확한 힘 측정을 제공합니다. 고유한 베어링 설계는 회전 중 정확한 힘 측정이 필요할 때 유용합니다. 의료 테스트에서 로드셀은 환자나 수술 도구에 가해지는 힘을 추적합니다. 로봇 공학에서는 무게와 압력에 대한 실시간 업데이트를 제공하여 시스템을 지원합니다. STM200A는 자동화 환경에서도 안정적인 하중 모니터링을 제공하여 다양한 산업 공정의 효율성과 안전성을 향상시킵니다.
S형 로드셀은 인장 및 압축 겸용 센서입니다. STP는 알루미늄 합금으로 제작되고 표면 양극 산화 처리 및 접착 밀봉 공정을 거쳐 소형, 경량, 좁은 측정 범위(2kg~50kg)를 제공하며, 단일 트랜스미터와 함께 사용하여 인장 및 압력 테스트(인장 게이지 등)에 사용할 수 있습니다.
이 제품은 인장과 압축을 모두 측정할 수 있는 고정밀 센서로, 구조가 컴팩트하며 장기적인 안정성이 뛰어납니다. 다양한 시험기 및 자동화 시스템에서 광범위하게 활용됩니다.
S형 로드셀은 특수한 모양에서 유래되었습니다. 인장 및 압축 겸용 센서입니다. STP는 알루미늄 합금으로 제작되었으며, 양극 산화 처리된 표면을 접착제로 밀봉했습니다. 크기가 작고 무게가 가볍습니다. 인장 및 압력 테스트를 위해 트랜스미터와 함께 단독으로 사용할 수 있습니다.
이 센서는 인장과 압축을 모두 측정할 수 있는 구조로, 높은 정밀도와 안정성을 제공하며, 다양한 산업용 및 시험용 하중 측정 장비에 적합한 고성능 센서입니다.
101M 계량 모듈은 STC 고품질 S형 센서를 사용하며, 높은 계량 정확도와 우수한 장기 안정성, IP66 등급의 방진·방수 성능을 갖추고 있습니다.
탱크 배칭 공정의 계량 제어 등 다양한 산업 현장에 적합합니다.
101M 계량 모듈은 5kg부터 5톤까지 선택 가능한 STC S형 센서를 사용하며,
각 모듈에는 U자형 연결구와 핀 한 쌍, 아연도금 탄소강 하드웨어가 기본 제공되어,
중량이 있는 용기를 안정적으로 지지하며, 다양한 산업 장비에 설치 가능합니다.
서스펜션 방식이 적용된 모든 호퍼나 컨테이너에 적합하게 설계되었습니다.
특수한 형태 때문에 호퍼 스케일용 STC S형 합금강 로드셀이라는 이름이 붙었습니다. 이 제품은 인장 및 압축 모두에 적용되는 계량 센서입니다. 제조업체는 40CrNiMoA 합금강으로 STC를 제조합니다. 높은 탄성 한계와 우수한 비례 한계를 가지고 있습니다. A는 고품질 강재임을 나타냅니다. 40CrNiMo보다 불순물 함량이 낮은 고품질 강재입니다. 니켈 도금 후 부식이 감소했습니다. 내식성이 더욱 우수하며, 경도와 절연성이 크게 향상되었습니다
이 센서는 인장 및 압축 하중을 모두 측정할 수 있으며, 구조가 간단하고 정밀도 및 안정성이 우수하여 다양한 시험 및 자동화 장비에 적합합니다.
이 제품은 인장력과 압축력을 모두 측정할 수 있는 고정밀 센서로, 구조가 작고 안정성이 뛰어나며, 다양한 산업 및 시험 장비에 적합합니다.
WhatsApp us
