355 S-Force Sensor
Technical parameters

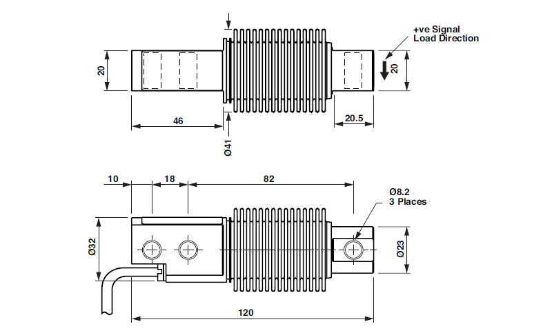
Dimensions

케이센서스 스마트스토어
Technical parameters

Dimensions

S형 로드셀은 인장 및 압축 겸용 센서입니다. STP는 알루미늄 합금으로 제작되고 표면 양극 산화 처리 및 접착 밀봉 공정을 거쳐 소형, 경량, 좁은 측정 범위(2kg~50kg)를 제공하며, 단일 트랜스미터와 함께 사용하여 인장 및 압력 테스트(인장 게이지 등)에 사용할 수 있습니다.
S형 로드셀은 특수한 모양에서 유래되었습니다. 인장 및 압축 겸용 센서입니다. STP는 알루미늄 합금으로 제작되었으며, 양극 산화 처리된 표면을 접착제로 밀봉했습니다. 크기가 작고 무게가 가볍습니다. 인장 및 압력 테스트를 위해 트랜스미터와 함께 단독으로 사용할 수 있습니다.
STE는 특수 후크 형태를 사용합니다. 이 디자인은 후크 저울에 적합합니다. STE는 인장 및 압축 계량 힘 센서입니다. 알루미늄 합금으로 제작되었으며, 접착제로 밀봉된 양극산화 처리된 표면을 가지고 있습니다. 이러한 디자인은 높은 정확도와 장기적인 안정성을 보장합니다.
STS는 원형 인장 및 압축 로드셀입니다. 합금강으로 제작되었으며, 편심 하중에 강하고 정밀도가 높으며 강도가 우수합니다. 또한 설치가 간편합니다. 다양한 계량 및 힘 측정 작업에 표준 도구로 사용됩니다. 여기에는 산업 시스템, 오버헤드 크레인 저울, 트랙 저울, 호퍼의 힘 측정이 포함됩니다.
이 센서는 인장과 압축을 모두 측정할 수 있으며, 높은 정밀도와 안정성을 갖춘 구조로 자동화 및 다양한 테스트 장비에 적합합니다.
다양한 응용 분야에 적합하며, 습하고 부식성이 있는 환경에서도 사용 가능합니다. 또한 포장기, 벨트 계량, 호퍼 저울, 플랫폼 저울, 식품 및 제약 산업 등 계량 및 제어에 매우 중요한 분야에 사용됩니다.
50,100,200,500,1000,2000kg Or Customized S Beam Load Cell FA310 is a model of our brand FIBOS FA3-Series, S Beam Load Cell FA310 can be used to measure load 50kg,100kg,200kg,500kg,1000kg and 2000kg or customized capacity, its Creep(30min),Hysteresis and Repeatability all ≤0.025%F.S. or can be customized, and its Non-linearity ≤0.03%F.S. or can also be customized.
S 타입은 특수한 모양에서 유래되었습니다. 인장 및 압축 모두에 대한 무게 측정 센서입니다. STK는 알루미늄 합금으로 제작되었으며, 접착 밀봉 공정과 양극 산화 처리된 표면을 가지고 있습니다. 높은 종합 정확도와 우수한 장기 안정성을 자랑합니다. 10kg부터 500kg까지 측정 가능하며, 이는 STC 모델과 동일합니다. 재질과 크기는 다소 다르지만, 사용법은 STC와 유사합니다.
이 제품은 고정밀의 인장 및 압축력 측정을 위한 센서로, 견고하고 콤팩트한 구조를 갖추고 있으며, 다양한 산업용 저울과 테스트 장비에 광범위하게 적용됩니다.
이 센서는 인장 및 압축 하중을 모두 측정할 수 있으며, 구조가 간단하고 정밀도 및 안정성이 우수하여 다양한 시험 및 자동화 장비에 적합합니다.
WhatsApp us
