3520 S-Force Sensor
Technical parameters

Dimensions

케이센서스 스마트스토어
Technical parameters

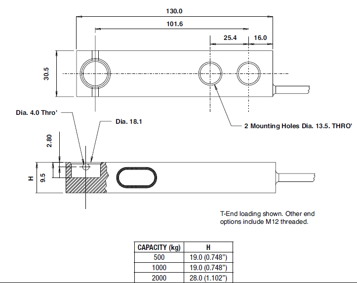
Dimensions

STS는 원형 인장 및 압축 로드셀입니다. 합금강으로 제작되었으며, 편심 하중에 강하고 정밀도가 높으며 강도가 우수합니다. 또한 설치가 간편합니다. 다양한 계량 및 힘 측정 작업에 표준 도구로 사용됩니다. 여기에는 산업 시스템, 오버헤드 크레인 저울, 트랙 저울, 호퍼의 힘 측정이 포함됩니다.
이 제품은 인장과 압축을 모두 측정할 수 있는 고정밀 센서로, 구조가 컴팩트하며 장기적인 안정성이 뛰어납니다. 다양한 시험기 및 자동화 시스템에서 광범위하게 활용됩니다.
S형 로드셀은 인장 및 압축 겸용 센서입니다. STP는 알루미늄 합금으로 제작되고 표면 양극 산화 처리 및 접착 밀봉 공정을 거쳐 소형, 경량, 좁은 측정 범위(2kg~50kg)를 제공하며, 단일 트랜스미터와 함께 사용하여 인장 및 압력 테스트(인장 게이지 등)에 사용할 수 있습니다.
기존의 전통적인 계량 모듈과 비교하여, 이 솔루션은 설치 시 사일로를 들어올릴 필요가 없으며, 곡물 저장고 다리만 “A” 프레임 브래킷에 연결하면 됩니다.
“A” 프레임 지지대는 다양한 다리 형태에 맞게 제공되어 대부분의 일반적인 사일로에 손쉽게 장착할 수 있습니다.
이 센서는 인장과 압축력을 모두 측정할 수 있으며, 정밀도와 안정성이 뛰어나 다양한 산업용 계측 장비에 폭넓게 활용됩니다.
50,100,200,500,1000,2000kg Or Customized S Beam Load Cell FA310 is a model of our brand FIBOS FA3-Series, S Beam Load Cell FA310 can be used to measure load 50kg,100kg,200kg,500kg,1000kg and 2000kg or customized capacity, its Creep(30min),Hysteresis and Repeatability all ≤0.025%F.S. or can be customized, and its Non-linearity ≤0.03%F.S. or can also be customized.
이 센서는 인장과 압축 양방향 하중을 측정할 수 있으며, 높은 정밀도와 안정성을 제공하고, 다양한 산업용 자동화 및 시험 장비에 적합한 구조적 특징을 가지고 있습니다.
다양한 응용 분야에 적합하며, 습하고 부식성이 있는 환경에서도 사용 가능합니다. 또한 포장기, 벨트 계량, 호퍼 저울, 플랫폼 저울, 식품 및 제약 산업 등 계량 및 제어에 매우 중요한 분야에 사용됩니다.
WhatsApp us
