VC6B-5MN Lightweight Flat type Load Cell
Specifications
| Rated output | 2–2.48mV/V |
|---|---|
| Nonlinearity | ±1%R.C. (With a pressure-proof hard plate, spherical support) (*1) |
| Hysteresis | ±0.5%R.C. (With a pressure-proof hard plate, spherical support) (*2) |
| Zero balance | ±0.0248mV/V |
| Temperature effect on zero balance | ±0.05%R.C./10°C |
| Temperature effect on load | ±0.1%R.C./10°C |
| Safe overload rating | 150%R.C. |
| Relative Static Lateral Limit Force | 10% (With a load button or a bendall bearing) 3% (With a spherical support) (*3) |
| Permissible Vibration Amplitude to DIN 50100 | 70% |
| Temperature compensation range | −10–70°C (No condensation or freezing) |
| Safe temperature range | −30–85°C (No condensation or freezing) |
| Input terminal resistance | 380–420Ω |
| Output terminal resistance | 280–360Ω |
| Recommended excitation voltage | 5V or less |
| Excitation voltage range | 0.5–12V |
| Insulation resistance | 5GΩ or more |
| IP Rating | Equivalent to IP68 (Note 1) |
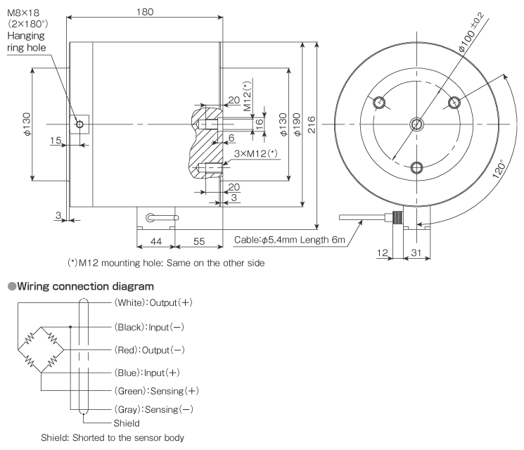
| Cable | φ5.4mm 6m, directly-connected |
- (*1) With a load button or a bendall bearing: ±0.4mV/V
- (*2) With a load button or a bendall bearing: ±0.3mV/V
- (*3) With a pressure-proof plate: Cannot be specified.
- Creep 30min (Within temperature compensation range): ±0.06%R.C.
- (Note 1) Sealing performance of the cable outlet may deteriorate due to the change of cable jacket over years.
Model selection
| Selection | Model | Rated capacity | Deflection at R.C. | Weight |
|---|---|---|---|---|
| VC6B-5MN | 5MN | Approx. 0.5mm | Approx. 32kg |
- *Weight not includes cable.
External dimensions (Unit: mm)



















