FIT®/5 Digital Load Cell for Dynamic Weighing
Specifications1(Load transmitter)
| Model | FIT®/5… | ||
|---|---|---|---|
| Accuracy Class according to OIML R60 | C3 | ||
| Max. Capacity (Emax) | kg | 5 | 10 |
| Min. Load Cell Verification Interval (Vmin) | g | 0.5 | 1 |
| Min. Application Range for 3000d | kg | 1.5 | 3 |
| Max. Platform Size | mm | 400×400 | |
| Max. Number of Load Cell Verification Intervals (nLC) | 3,000 | ||
| Temperature Effect on Sensitivity (in Temperature Range 0°C–+40°C) (*1) (*2) |
%(Sensitivity)/10k | ±0.0250 | |
| Temperature Effect on Zero Signal (*2) | % (Sensitivity)/10k | ±0.0200 | |
| Relative Umkehrspanne (*1) (*2) | % | ±0.0166 | |
| Nonlinearity (*1) (*2) | % | ±0.0166 | |
| Creep (30min) | % | ±0.0166 | |
| Eccentric Loading Error acc. to OIML R76 | % | ±0.0233 | |
| Service Load (Max. 120 mm Eccentricity) |
% (Max. capacity) | 150 | |
| Safe Load Limit (Max. 120 mm Eccentricity) |
% (Max. capacity) | 1,000 | |
| Permissible Dyn. Load (Max. 50 mm Eccentricity) |
% (Max. capacity) | 70 | |
| Deflection at Max. Capacity | mm | <0.2 | |
| Power supply: | |||
| Supply Voltage UB1(DC) | V | +10–+30 | |
| Power Consumption | W | ≤2 | |
| Current consumption | A | 0.2 | |
| Resolution of Meas. Signal (1Hz Filter) | Bit | 20 | |
| Sampling speed (Output format and baud rate) |
1/s | 4–1,200 | |
| Adjustable Cut-off Frequency of the Digital Filters |
|||
| Filteremode 0 | Hz | 200–0.25 | |
| Filteremode 1 (Response Time: 62–365ms) |
Hz | 18–2.5 | |
| Baud Rate | Baud | 1,200:2,400:4,800:9,600: 19,200:38,400:57,600:115,200 |
|
| Max. Number of Bus Members | 90 | ||
| CANOpen | Standard CiA DS301 | ||
| Baud Rate | Baud | 10,000–1,000,000 | |
| DeviceNet | Release 2.00DVA | ||
| Baud Rate | Baud | 125,000–500,000 | |
| Max. Cable Length (CANOpen,DeviceNet) |
m | ≤5,000 (10k Baud) | |
| ≤100 (500k Baud) | |||
| ≤25 (1M Baud) | |||
| Diagnostic Channel,RS-485-2-wire, RS-485 2-wire (Option E) |
|||
| Baud Rate | Baud | 38,400 | |
| Max. Cable Length/Max. Number of Bus Members | m/ | 500/90 | |
| Asynchronous Serial Interface (Female Device Connector 1) |
|||
| RS-485, 4-wire, Max. Cable Length | m | 500 | |
| RS-232C, Max. Cable Length | m | 15 | |
| Trigger Input (Female Device Connector 1) |
|||
| Permissible input voltage | V | 0–+12 | |
| Low-level | V | <1 | |
| High-level | V | >4 | |
| Input Resistance | kΩ | 10 | |
| Control inputs (Option: Female Device Connector 2) |
Isolated reference potential GND2 | ||
| Permissible input voltage | V | 0–+30 | |
| Low-level | V | <6 | |
| High-level | V | >10 | |
| Input Resistance | kΩ | >3 | |
| Control inputs (Option: Female Device Connector 2) |
Isolated reference potential GND2 | ||
| External Supply Voltage UB2 | V | +11–+30 | |
| Max. Current of One Output | A | <0.5 | |
| Accumulated Current of All Outputs | A | <1.0 | |
| High-level | V | <1 | |
| Temperature compensation range(BT) | °C | -10–+40 | |
| Safe temperature range(Btu) | °C | -10–+50 | |
| Storage Temperature Range(Bti) | °C | -25–+75 | |
| EMC-requirements | EN 45501, OIML R76 | ||
| EN 61326-1, Tab. 4, equipment of class B | |||
| EN61326 A1, Tab. A1, equipment in industrial areas | |||
| Degree of Protection acc.to EN 60529 | IP68 | ||
| Connector | Fa.Lumberg, 8 pin, Female | ||
| Material:Housing | Stainless steel | ||
| Weight (Approx.) | kg | 2 | |
- (*1) The values can be exceeded in individual cases. The resulting errors of TKC,
nonlinearity and hysteresis don’t exceed the maximum permissi-ble errors of OIML R 60 with pLC = 1 - (*2) All relative errors are related to the output signal at max. capacity.
Model selection

| Selection | Check | Model | Specifications |
|---|---|---|---|
| 1.Model | ○ | FIT | Digital Load Cell for Dynamic Weighing |
| 2.Material:Housing | ○ | 5 | Hermetic seal stainless steel |
| 3.Version | S | Stangdard | |
| E | Expansion | ||
| 4.Interfaces | A | RS-232 | |
| B | RS-485 | ||
| C | CANOpen | ||
| D | DeviceNet | ||
| 5.Accuracy class | ○ | 3 | C3 |
| 6.Cable length | 0 | Plug | |
| 1 | 3m | ||
| 2 | 6m | ||
| 3 | 12m | ||
| 7.Max. capacity | 5KG | 5kg | |
| 10KG | 10kg |
■ Following types are also available at your request.
List of standard types
| Housing | Interfaces | |||
|---|---|---|---|---|
| RS-232 | RS-485(4wire) | CANOpen | DeviceNet | |
| 5 | – | – | 1-FIT/5SC30/10KG | – |
List of expansion (E) types All of the following types are provided with filling control function and limit switch as options.
| Housing | Interfaces | |||
|---|---|---|---|---|
| RS-232 | RS-485 (4wire) | CANOpen | DeviceNet | |
| 5 | 1-FIT/5EA30/10KG | 1-FIT/5EB30/5KG 1-FIT/5EB30/10KG |
1-FIT/5EC30/5KG 1-FIT/5EC30/10KG |
1-FIT/5ED30/5KG 1-FIT/5ED30/10KG |
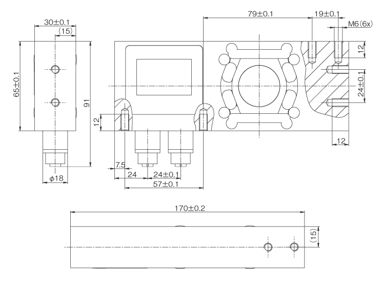
External dimensions (Unit: mm)

Electrical connection

| Female device connector 1 | Female device connector 2 (Option) | ||||
|---|---|---|---|---|---|
| Pin No. | RS-232 | RS-485 | CANOpen/DeviceNet | Pin No. | |
| 7 | TxD | TA | CANH out | 1 | OUT1 |
| 3 | RxD | RA | CANH in | 2 | OUT2 |
| 6 | – | TB | CANL out | 3 | OUT3 |
| 5 | – | RB | CANL in | 4 | OUT4 |
| 8 | UB 1 | UB 1 | UB 1 | 5 | UB 2 |
| 1 | GND 1 | GND 1 | GND 1 | 6 | GND 2 |
| 4 (*3) | Diag.Ra/Ta or Trigger | Diag.Ra/Ta or Trigger | Diag.Ra/Ta or Trigger | 7 | IN 1 |
| 2 (*3) | Diag.Rb/Tb | Diag.Rb/Tb | Diag.Rb/Tb | 8 | IN 2 |
- (*3) The standard version (S) does not have a diagnostic channel. Pin 2 is not assigned, Pin 4 is trigger input.
Accessories(to be ordered separately)
■Connection cable Materia:PUR, φ7±0.5mm, emale device connector / free ends
| Cable length | 3m |
| 8-core Cable | 1-KAB165-3* |
- *The cable is suitable only for experimental purposes for the structure of CANOpen and DeviceNet bus systems
(the characteristic wave impe-dance does not correspond to the CANOpen specifications)
■1-FIT-AED-DOC=PC softward AED panel(AED Panel32)
- Documentation of mechanics and electronics
- Documentation of command codes for the communication with the FIT/5
- Software package for parameter setting and dynamic analysis of the weighing system
■1-FIT-AED-KIT=Starter kit for CANOpen and DeviceNet

















