TQ908C Dynamic Torque Sensor
Product Description
Features And Uses
Integrated products consisting of resistance strain gauges and integrated circuits;
High precision, stable and reliable performance;
No slip ring and other wear, can be in the output of positive and negative torque signal at high speed, long time operation;
Both ends of the key connection;
The maximum speed does not exceed 4000 RPM;
Application field: automobile assembly, automatic assembly, 3C product testing, new energy product assembly, medical testing, robot, mold assembly and other industrial testing, measurement and control system.
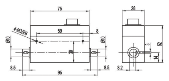
Mounting Dimension

Parameter List
| Rated Range | 0.1,0.2,0.3,0.5,1,2,3,5 N.m | Insulation Resistance | ≥2000 MΩ/100VDC |
| Considerate | 1.0 ~ 1.5 Mv/V | Excitation Voltage | ±12 Volts |
| Zero Point Balance | ±1%F.S. | The Maximum Excitation Voltage | 20 Volts |
| Nonlinearity | 0.2%F.S. | Temperature Compensation Range | -10~60℃ |
| Lag Error | 0.2%F.S. | Operating Temperature Range | -30~60℃ |
| Repeatability | 0.1%F.S. | Safe Load (E L) | 120%F.S. |
| Creep (30 Minutes) | 0.2%F.S. | Failure Load (E D) | 150%F.S. |
| Sensitivity Drift Temperature Coefficient | 0.1%F.S./10℃ | Cable Size | 3000M |
| Zero Drift Temperature Coefficient | 0.1%F.S./10℃ | Cloth | |
| Input Resistance | 350±10Ω | Unit Weight (G) | |
| Output Resistance | 350±10Ω | Protection | Ip66 |
| Direction Of Force | Wiring Method |
![]() |
![]() |



















