카테고리: 태그: 브랜드:

Ultra Force / TQ903J Static Torque Sensor


The TQ903J static torque sensor is typically used to measure rapidly changing torque on non-rotating axes. The torque sensor has a range of 0.1-12 N.m and is suitable for different applications. It provides an accurate measurement of the torque applied to the sensor shaft in both directions of rotation. The sensor is compact and easy to install.


Share it:

TQ903J Static Torque Sensor

Product Description

Features And Uses

Static torque sensor;

Compact structure, easy to install;

Protection grade: IP65;

Used to measure static and non-continuous rotating torque values;

Application field: automobile assembly, automatic assembly, 3C product testing, new energy product assembly, medical testing, robot, mold assembly and other industrial testing, measurement and control system.

 

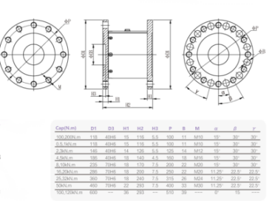
Mounting Dimension

TQ903J Static Torque Sensor

 

Parameter List

Rated Capacity 0.1 ~ 150 KN.M Insulation Resistance ≥ 5000mΩ/100VDC
Output Sensitivity 2±10% mV/V Excitation Voltage 5-12V
Zero Output ±3%mV/V The Maximum Excitation Voltage 15 volts
Nonlinearity 0.1%F.S. Temperature Compensation Range -10~40℃
Lag Error 0.1%F.S. Operating Temperature Range -20~60℃
Repeatability 0.1%F.S. Safe Overload 150%F.S.
Creep (30 Minutes) 0.1%F.S. Ultimate Overload 200%F.S.
Sensitivity Drift Temperature Coefficient 0.05%F.S./10℃ Protection Ip67
Zero Drift Temperature Coefficient 0.03%F.S./10℃ Cable Dimension Φ6×4000mm
Input Resistance 775±20Ω
Output Resistance 700±10Ω

 

 

Direction Of Force Wiring Method
TQ903J Static Torque Sensor TQ903J Static Torque Sensor