TCR167 Flange Compression Force Sensor
Product Description

Stainless steel;
Automotive assembly, automated assembly, 3C product testing, new energy product assembly, medical testing, robotics, mold assembly and other industrial testing, measurement and control systems.
Application field: automobile assembly, automatic assembly, 3C product testing, new energy product assembly, medical testing, robot, mold assembly and other industrial testing, measurement and control system.
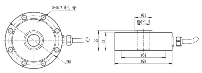
Mounting Dimension

Parameter List
| Rated Range | 50100200300500kg | Insulation Resistance | ≥ 5000mΩ/100VDC |
| Consideration | 2.0±1%mV/V | Excitation Voltage | 5~15V |
| Null Balance | ±2%F.S | The Maximum Excitation Voltage | 20volts |
| Nonlinearity | 0.03%F.S | Temperature Compensation Range | -10~60℃ |
| Lag Error | 0.03%F.S | Operating Temperature Range | -20〜80℃ |
| Repeatability | 0.03%F.S | Safe Load(E L) | 150%F.S. |
| Creep (30 Minutes) | 0.03%F.S | Failure Load(E D) | 200%F.S. |
| Sensitivity Drift Temperature Coefficient | 0.03%F.S./10℃ | Cable size | Φ5×4000mm |
| Zero Drift Temperature Coefficient | 0.03%F.S./10℃ | Cloth | Stainless steel |
| Input Resistance | 780±20Ω | Unit Weight(G) | |
| Output Resistance | 700±10Ω | Protection | Ip68 |
| Direction Of Force | Wiring Method |
![]() |
![]() |

















