TCR161 Flange Compression Force Sensor
Product Description
Features and Uses
Spoke sensor;
Material: alloy steel/stainless steel;
Bidirectional stretching and compression;
Used for testing machines, automotive scales, hopper scales and various industrial weighing systems;
Customizable measuring range;
Can be used as a measurement reference source.
Application field: automobile assembly, automatic assembly, 3C product testing, new energy product assembly, medical testing, robot, mold assembly and other industrial testing, measurement and control system.
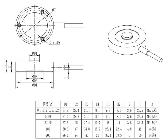
Mounting Dimension

Parameter List
| Rated Range | 0.5,1,2,3,5,10,20,30,50t | Insulation Resistance | ≥ 5000mΩ/100VDC |
| Consideration | 2.0±10%mV/V | Excitation Voltage | 5V |
| Null Balance | ±1%F.S | The Maximum Excitation Voltage | 15volts |
| Nonlinearity | 0.03%F.S | Temperature Compensation Range | -10~40℃ |
| Lag Error | 0.03%F.S | Operating Temperature Range | -10〜70℃ |
| Repeatability | 0.02%F.S | Safe Load(E L) | 150%F.S. |
| Creep (30 Minutes) | 0.03%F.S | Failure Load(E D) | 200%F.S. |
| Sensitivity Drift Temperature Coefficient | 0.02%F.S./10℃ | Cable size | |
| Zero Drift Temperature Coefficient | 0.02%F.S./10℃ | Cloth | |
| Input Resistance | 780±20Ω | Unit Weight(G) | |
| Output Resistance | 700±10Ω | Protection | Ip67 |
| Direction Of Force | Wiring Method |
![]() |
![]() |


















